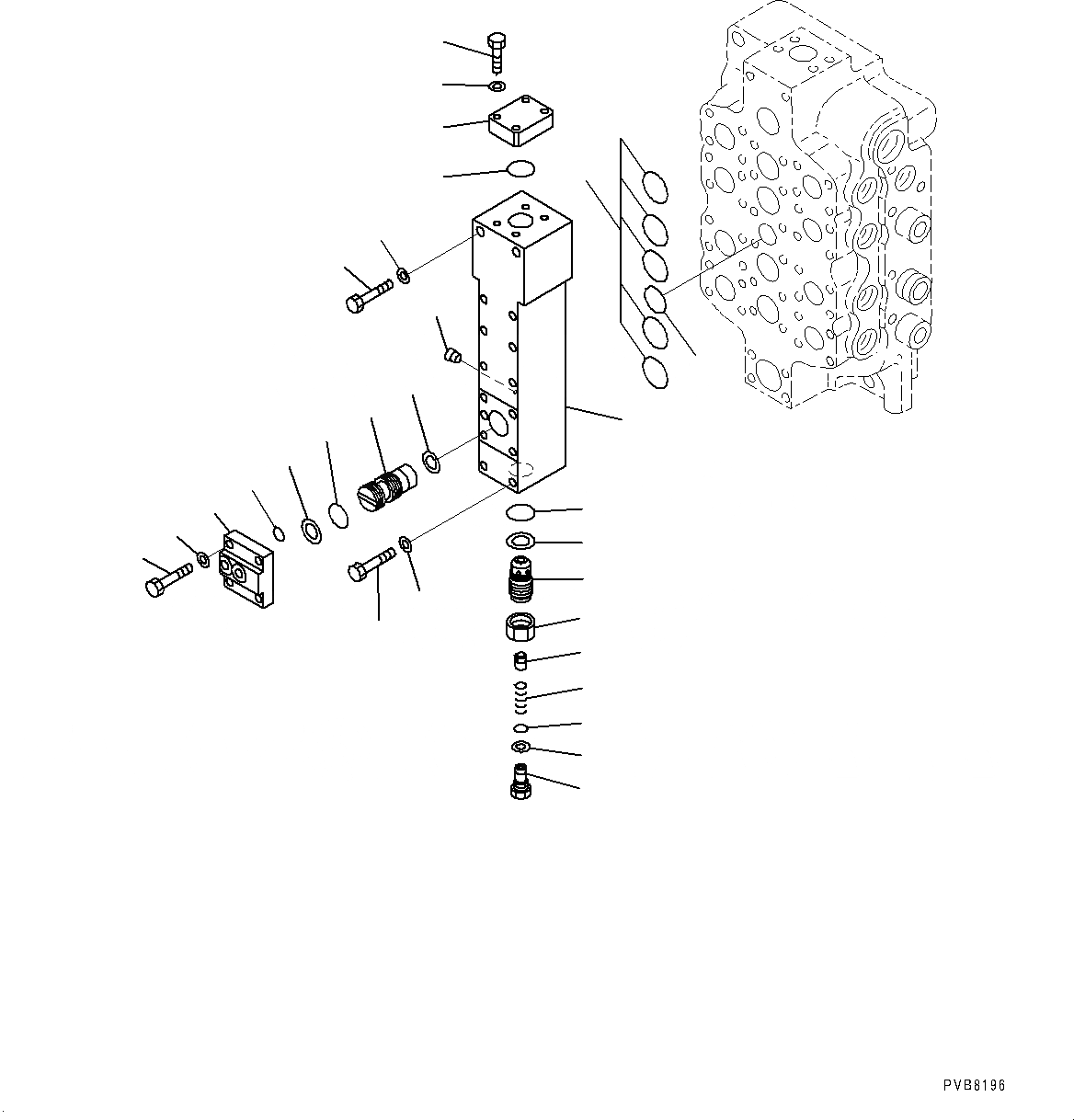
| |$0 | 709-14-93500 | Valve Assembly | |
| |$1 | Body Assembly | ||
| 1 | 709-14-12150 | Plug | |
| 2 | 706-73-70140 | Valve, Check | |
| 3 | 706-73-70150 | Spring | |
| 4 | 709-74-92450 | Plug | |
| 5 | 709-74-92460 | Nut | |
| 6 | 700-93-11320 | O-ring | |
| 7 | 700-93-11330 | Ring, Back-up | |
| 8 | 07000-12010 | O-ring | |
| 9 | 07001-02010 | Ring, Back-up | |
| 10 | Block | ||
| 11 | Piston | ||
| 12 | 709-14-12180 | Ring | |
| 13 | 709-14-12190 | Plate | |
| 14 | 706-66-40460 | O-ring | |
| 15 | 07000-12011 | O-ring | |
| 16 | Seal | ||
| 17 | Plug | ||
| 18 | 07000-13048 | O-ring | |
| 19 | 07000-13040 | O-ring | |
| 20 | 709-12-12440 | Plate | |
| 21 | 07000-13048 | O-ring | |
| 22 | 01010-81250 | Bolt | |
| 23 | 01643-51232 | Washer | |
| 24 | 01011-61435 | Bolt | |
| 25 | 01643-31445 | Washer, Flat | |
| 26 | 01011-81230 | Bolt | |
| 27 | 01643-51232 | Washer | |
| 28 | 01011-81250 | Bolt | |
| 29 | 01643-51232 | Washer |