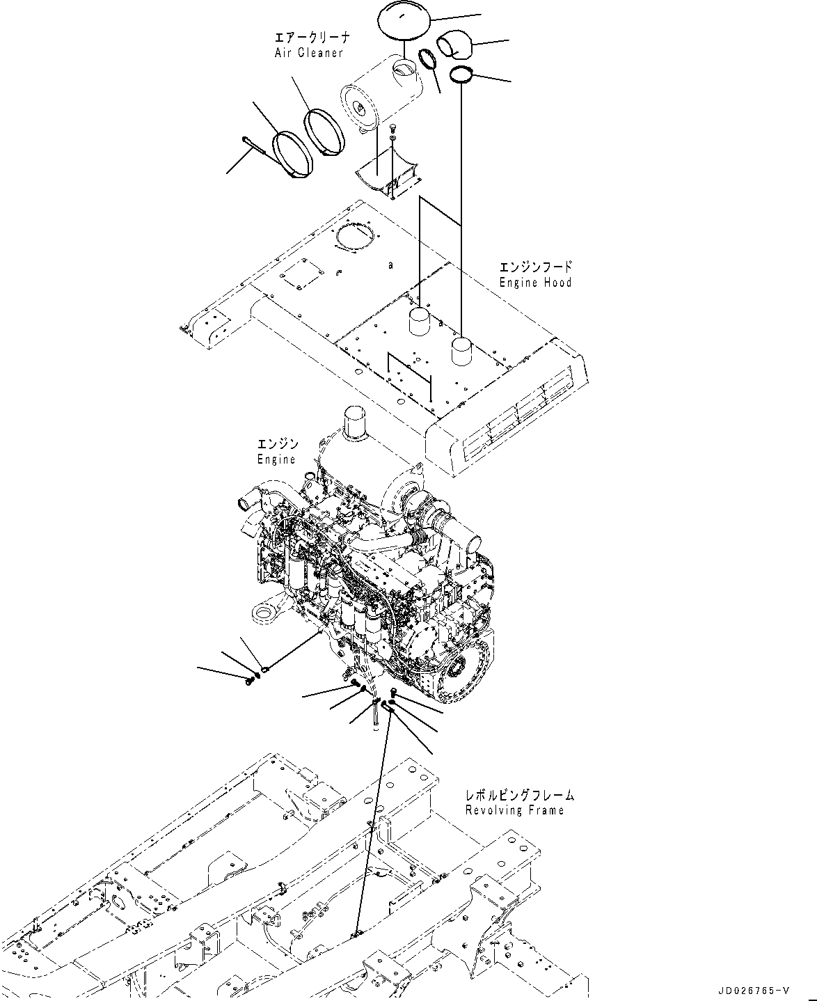
Запчасти выхлопная труба, впускн. воздуховод (/) (№-) экскаваторы pc1250-8r s/n 35201-up Komatsu



1 600-181-3960 Cap
2 6240-11-9910 Band
2 6151-11-9970 Band Assembly
3 6643-11-4641 Bolt
4 561-02-12150 Elbow
5 561-02-62280 Clamp
6 21N-01-41140 Bracket
7 01010-81230 Bolt
8 01643-31232 Washer
9 04435-51512 Clip
10 01010-81225 Bolt
11 01643-31232 Washer
12 04434-52511 Clip
13 01010-81020 Bolt
14 01643-31032 Washer
13
12
10
9
6
5
5
3
4
2
2
1
7
11
8
14
X
Рассчитать