zakaz@zapkomat.su
8 800 777-45-32
Расчитать заявку
Каталог
Типы
Гидравлика
Крепеж
Прокладки
Соединения
Кожухи
Электрика
Справочник
Запрос сотрудничества
Сервисным организациям
Контакты
Главная
Справочник
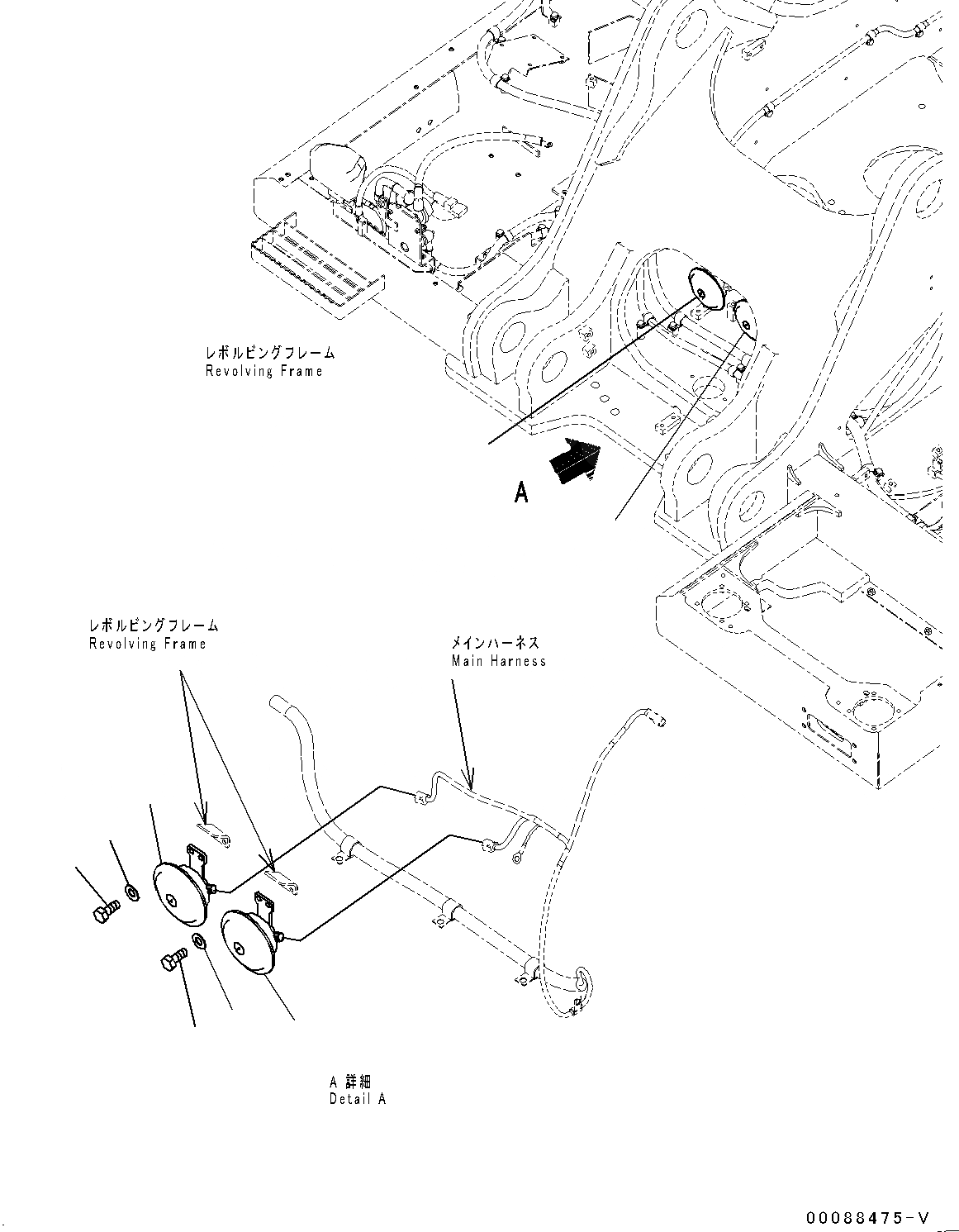
Запчасти звук. сигнал. (№-) экскаваторы pc600lc-8e0 s/n 65001-up Komatsu
1
208-06-71380
Horn
2
208-06-71390
Horn
3
01010-80825
Bolt
4
01643-30823
Washer
2
1
4
3
2
1
4
3
X
Рассчитать
Ваше имя:
Телефон *:
E-mail:
Сообщение: Пришлите наличие и стоимость
Оформить заказ