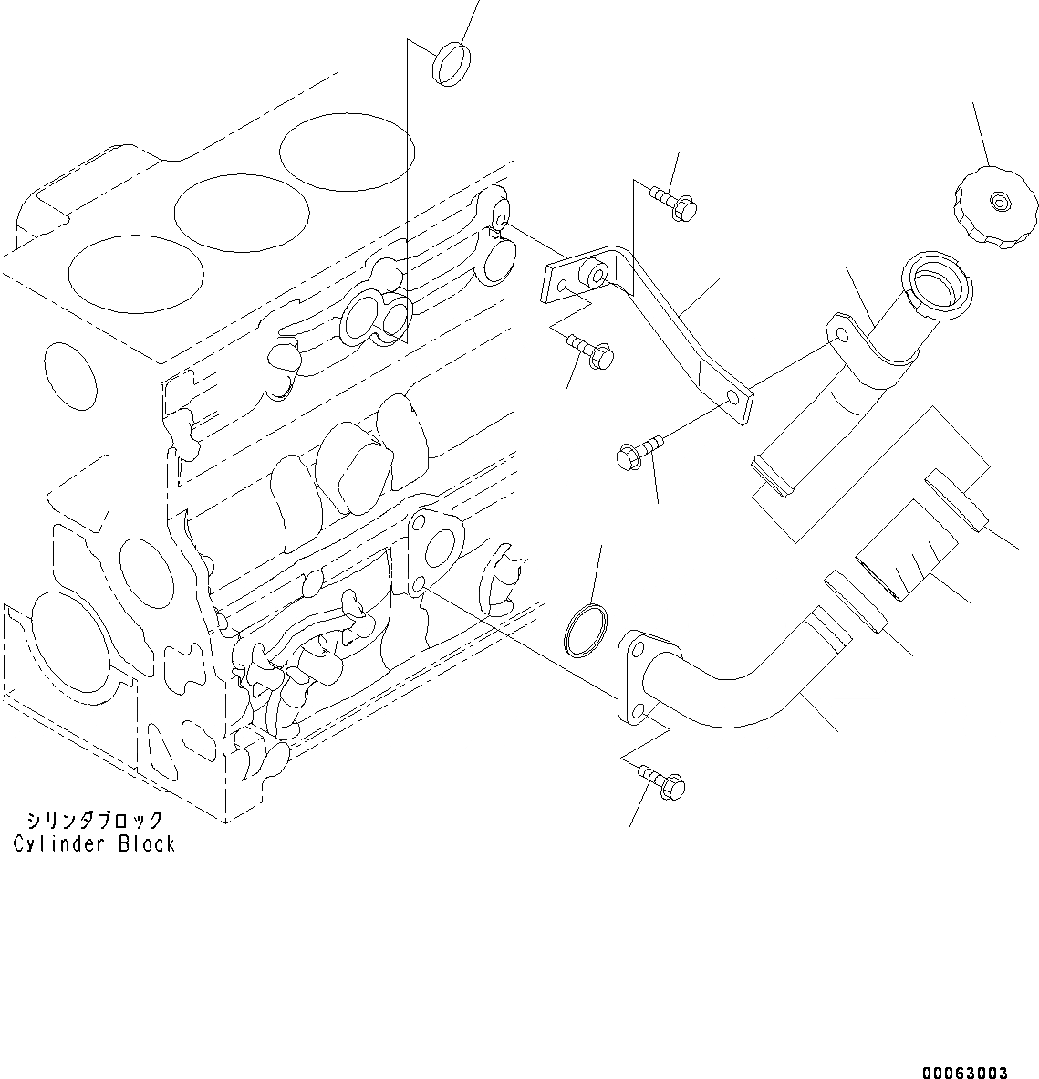
Запчасти двигатель маслоналивной патрубок (№7-) двигатели saa6d107e-1h s/n 26506237-up (for wa250-6/wa250pz-6) Komatsu



1 6742-01-1420 Plug
2 6754-21-7420 Tube, Filler
3 6736-21-3360 Seal Ring
4 6732-11-1720 Bolt
5 6754-21-7440 Filler
6 6127-61-6421 Hose
7 07281-00549 Clamp
8 6754-21-7510 Brace
9 01435-00845 Bolt
10 01435-61025 Bolt
10 6735-71-3220 Bolt
11 6136-21-7120 Cap Assembly
12 6732-21-6630 Screw
1
9
8
12
10
7
6
7
2
4
3
11
5
X
Рассчитать