zakaz@zapkomat.su
8 800 777-45-32
Расчитать заявку
Каталог
Типы
Гидравлика
Крепеж
Прокладки
Соединения
Кожухи
Электрика
Справочник
Запрос сотрудничества
Сервисным организациям
Контакты
Главная
Справочник
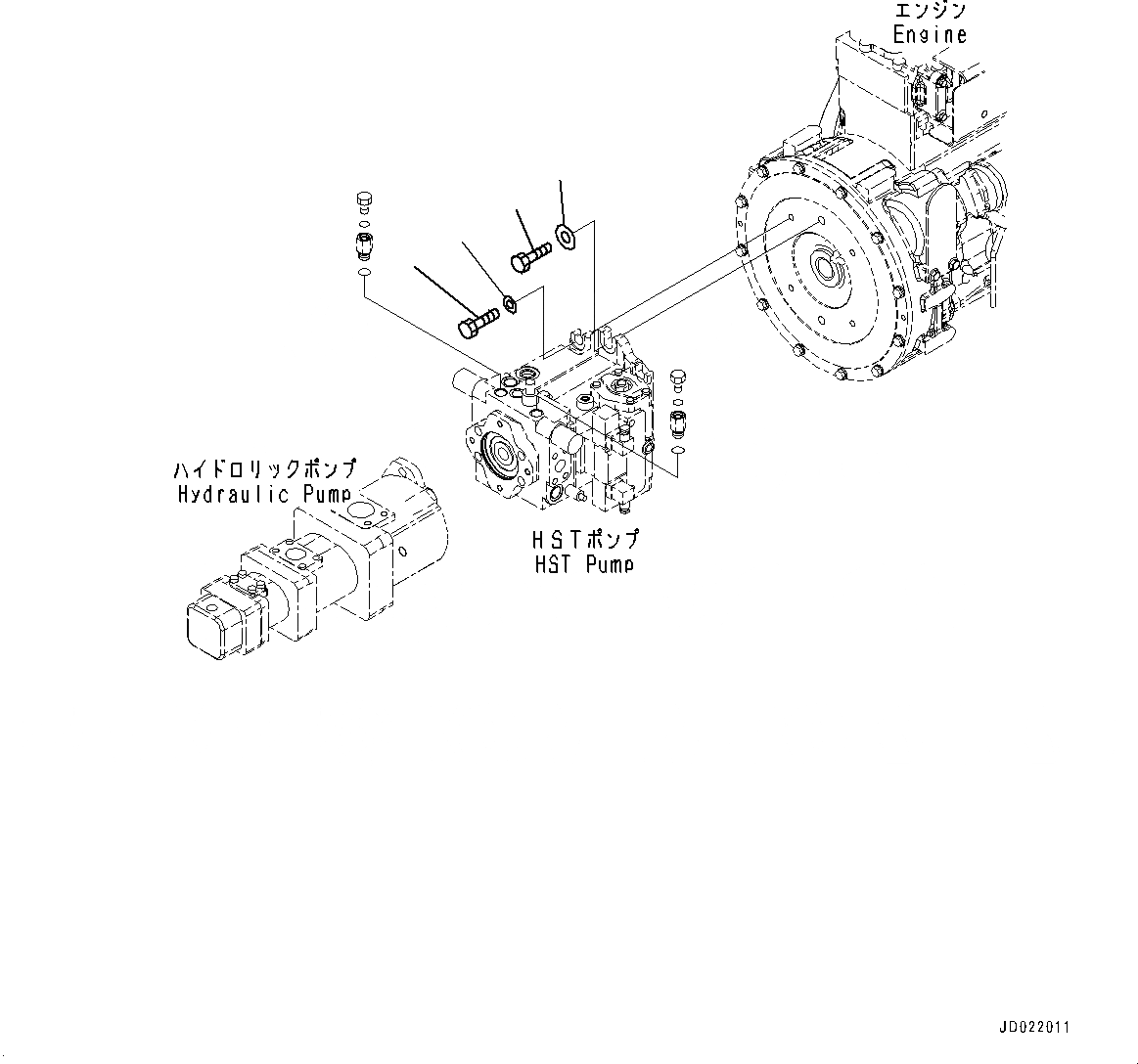
Запчасти hydrostatic трансмиссия (hst) насос и мотор, hst насос крепление (№788-) погрузчики колесные wa200pz-6 s/n 70883-up Komatsu
1
01010-81240
Bolt
2
175-54-34170
Washer
3
01010-81645
Bolt
4
418-18-31160
Washer
4
1
2
3
X
Рассчитать
Ваше имя:
Телефон *:
E-mail:
Сообщение: Пришлите наличие и стоимость
Оформить заказ