zakaz@zapkomat.su
8 800 777-45-32
Расчитать заявку
Каталог
Типы
Гидравлика
Крепеж
Прокладки
Соединения
Кожухи
Электрика
Справочник
Запрос сотрудничества
Сервисным организациям
Контакты
Главная
Справочник
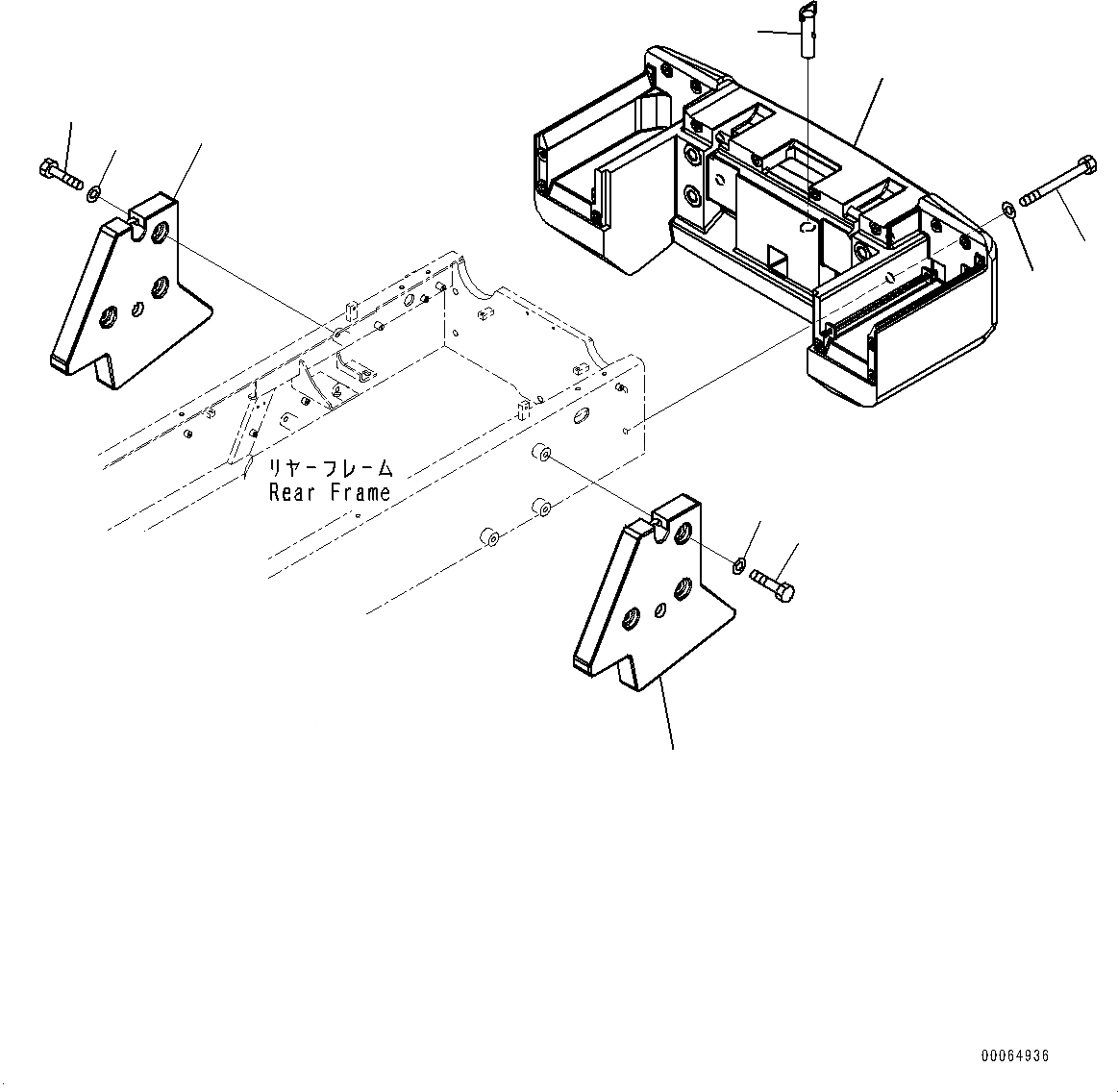
Запчасти противовес, вес и палец (№77-) погрузчики колесные wa250pz-6 s/n 75750-up (for n.america) Komatsu
1
418-T80-4952
Weight
2
01010-62065
Bolt
3
01643-32060
Washer
4
418-46-45211
Counterweight
5
01011-62480
Bolt
6
01643-32460
Washer
7
418-46-35140
Pin
5
6
7
4
3
2
1
1
2
3
X
Рассчитать
Ваше имя:
Телефон *:
E-mail:
Сообщение: Пришлите наличие и стоимость
Оформить заказ