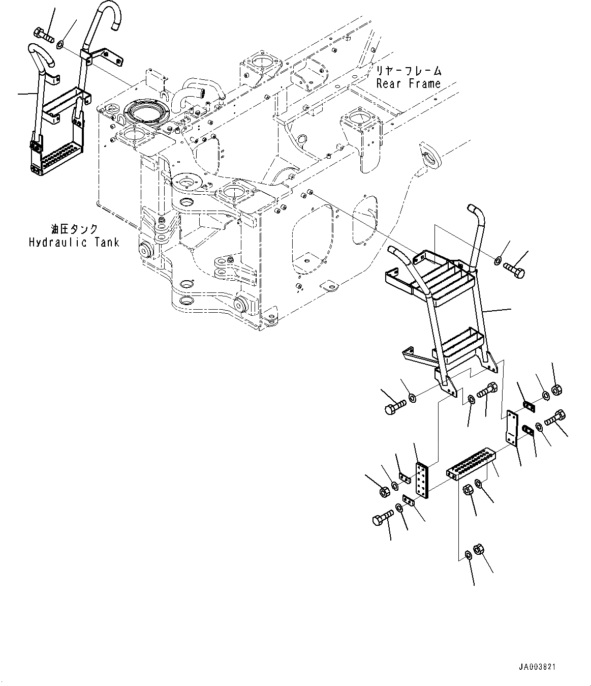
Запчасти лестница (№77-) погрузчики колесные wa250pz-6 s/n 75750-up (for eu) Komatsu



1 418-54-45584 Ladder
1 418-54-45583 Ladder
2 01010-81225 Bolt
3 01643-31232 Washer
4 418-54-45592 Ladder
4 418-54-45591 Ladder
5 01010-81225 Bolt
6 01643-31232 Washer
7 421-54-34611 Step
8 424-54-44881 Rubber
9 428-T86-1650 Plate
10 01010-D1045 Bolt
10 01010-D1040 Bolt
11 01643-71032 Washer
12 01596-01009 Nut, Flanged
13 01643-71032 Washer
1
8
3
2
9
12
13
11
10
13
12
7
9
13
12
11
10
11
10
8
9
13
12
10
11
9
6
5
4
X
Рассчитать