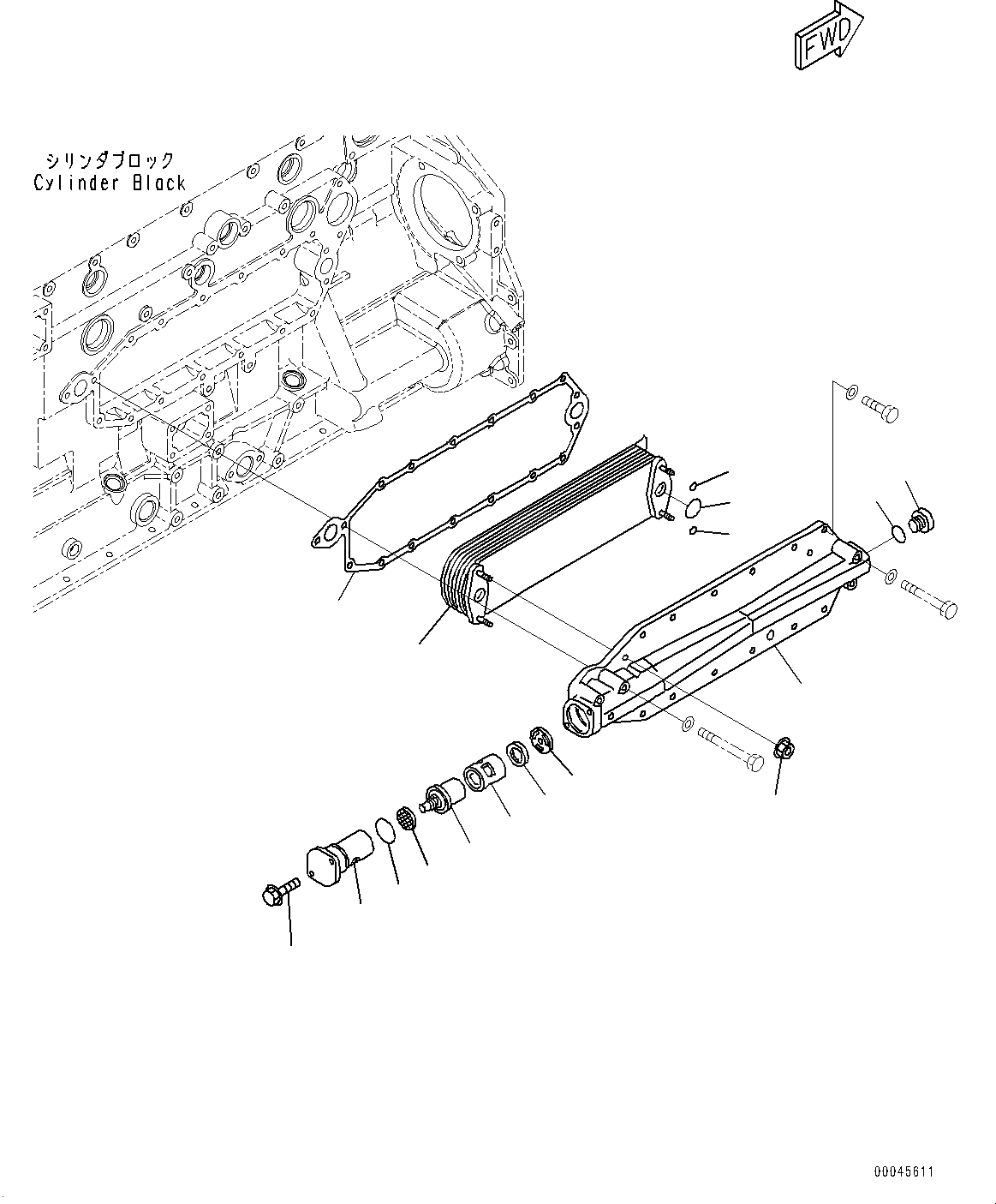
Запчасти двигатель маслоохладитель (№79-) двигатели saa6d125e-5g s/n 567239-up (for br580jg-1) Komatsu



1 6152-62-2210 Element, Oil Cooler
2 6150-61-2125 Cover, Oil Cooler
3 6150-61-2510 O-ring
4 6150-61-2520 O-ring
5 6150-61-2580 Nut
6 6150-61-2530 Plug
7 6151-62-2130 Cover
8 07000-63042 O-ring
9 6251-61-2610 Thermostat
10 6150-61-2540 Seal
11 6150-61-2141 Case
12 6150-61-2151 Plate
13 6151-62-2180 Strainer
14 01435-00825 Bolt
15 6150-61-2550 O-ring
16 6150-61-2815 Gasket
16
13
8
12
11
10
9
7
15
6
5
1
2
3
4
4
14
X
Рассчитать