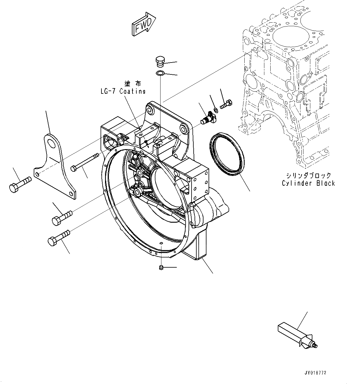
Запчасти картер маховика, (№7-) двигатели saa6d125e-5d s/n 567555-up (for wa470-6/wa470-6a) Komatsu



1 6251-21-4141 Housing, Flywheel
2 07043-70211 Plug
3 01010-61650 Bolt
4 01010-61660 Bolt
5 01011-81030 Bolt
6 6151-21-4161 Seal,Rear
7 6150-21-3930 Plate, Hanger
8 01010-61660 Bolt
9 6261-81-2902 Sensor Assembly, Revolution
10 01010-80820 Bolt
11 01643-30823 Washer
12 6114-11-8910 Plug
13 07005-02216 Seal, Washer
14 09920-00150 Liquid gasket, LG-7, 150G
1
2
6
3
4
5
14
8
10
9
13
12
7
11
X
Рассчитать