zakaz@zapkomat.su
8 800 777-45-32
Расчитать заявку
Каталог
Типы
Гидравлика
Крепеж
Прокладки
Соединения
Кожухи
Электрика
Справочник
Запрос сотрудничества
Сервисным организациям
Контакты
Главная
Справочник
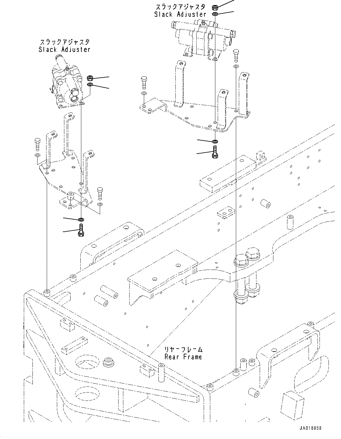
Запчасти управл-е тормозом, болт (№-) грейдеры gd675-6 s/n 60001-up Komatsu
1
01010-81025
Bolt
2
01643-31032
Washer
3
01643-31032
Washer
4
01580-11008
Nut
5
01010-81025
Bolt
6
01643-31032
Washer
7
01643-31032
Washer
8
01580-11008
Nut
5
6
7
8
4
3
2
1
X
Рассчитать
Ваше имя:
Телефон *:
E-mail:
Сообщение: Пришлите наличие и стоимость
Оформить заказ