zakaz@zapkomat.su
8 800 777-45-32
Расчитать заявку
Каталог
Типы
Гидравлика
Крепеж
Прокладки
Соединения
Кожухи
Электрика
Справочник
Запрос сотрудничества
Сервисным организациям
Контакты
Главная
Справочник
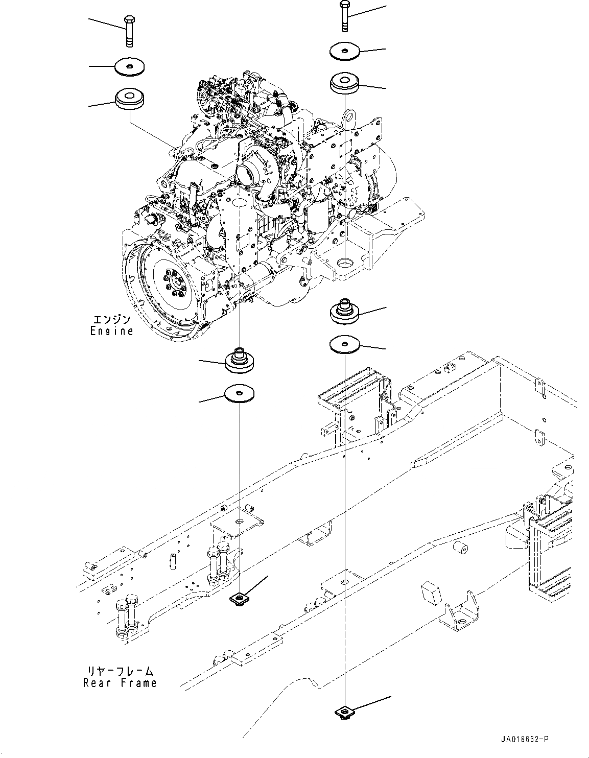
Запчасти крепление двигателя (№-) грейдеры gd675-6 s/n 60001-up Komatsu
1
424-01-11310
Cushion
2
424-01-41230
Washer
3
01011-82440
Bolt
4
423-01-52120
Bracket
3
3
2
2
4
4
1
1
2
2
1
1
X
Рассчитать
Ваше имя:
Телефон *:
E-mail:
Сообщение: Пришлите наличие и стоимость
Оформить заказ