zakaz@zapkomat.su
8 800 777-45-32
Расчитать заявку
Каталог
Типы
Гидравлика
Крепеж
Прокладки
Соединения
Кожухи
Электрика
Справочник
Запрос сотрудничества
Сервисным организациям
Контакты
Главная
Справочник
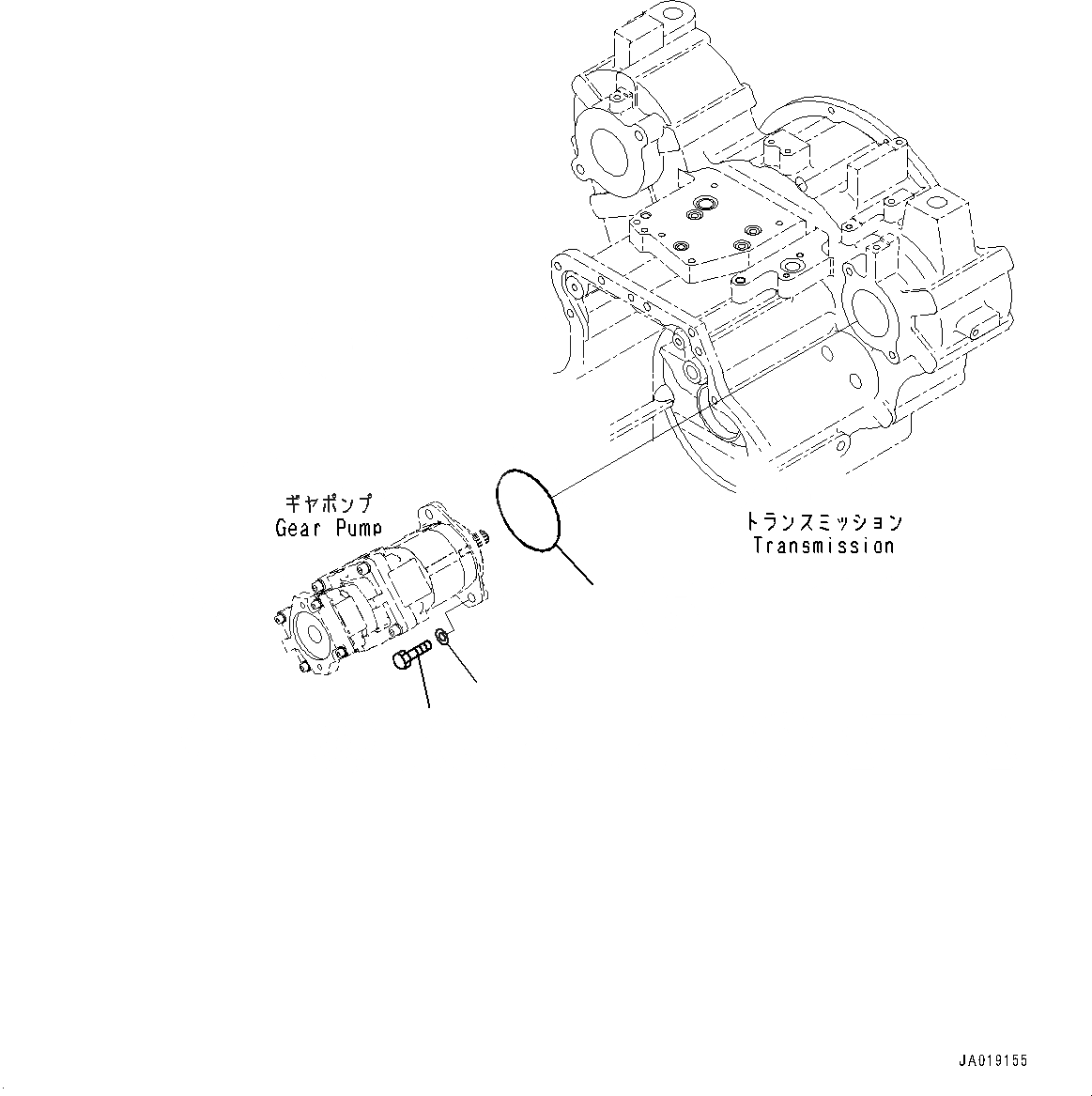
Запчасти гидр. насос., привод насос компоненты (№-) грейдеры gd675-6 s/n 60001-up Komatsu
1
07000-12105
O-ring
2
01010-81235
Bolt
3
01643-31232
Washer
3
1
2
X
Рассчитать
Ваше имя:
Телефон *:
E-mail:
Сообщение: Пришлите наличие и стоимость
Оформить заказ