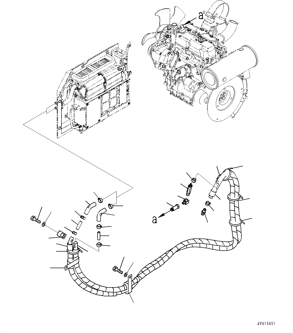
| 1 | 22K-977-3130 | Hose | |
| 2 | 22K-977-3120 | Hose | |
| 3 | 09482-50000 | Valve, Water | |
| 4 | 22L-977-2710 | Nipple | |
| 5 | 22L-977-2720 | Elbow | |
| 6 | 20T-54-42510 | Nipple | |
| 7 | 11Y-09-11160 | Clip | |
| 8 | 11Y-09-11160 | Clip | |
| 9 | 11Y-09-11160 | Clip | |
| 10 | 09483-30450 | Hose | |
| 11 | 09484-00450 | Connector | |
| 12 | 04435-52110 | Clip | |
| 13 | 04435-52711 | Clip | |
| 14 | 01010-81020 | Bolt | |
| 15 | 01643-31032 | Washer | |
| 16 | 08034-20823 | Band | |
| 17 | 22K-977-3140 | Bracket | |
| 18 | 01010-81035 | Bolt | |
| 19 | 01643-31032 | Washer |