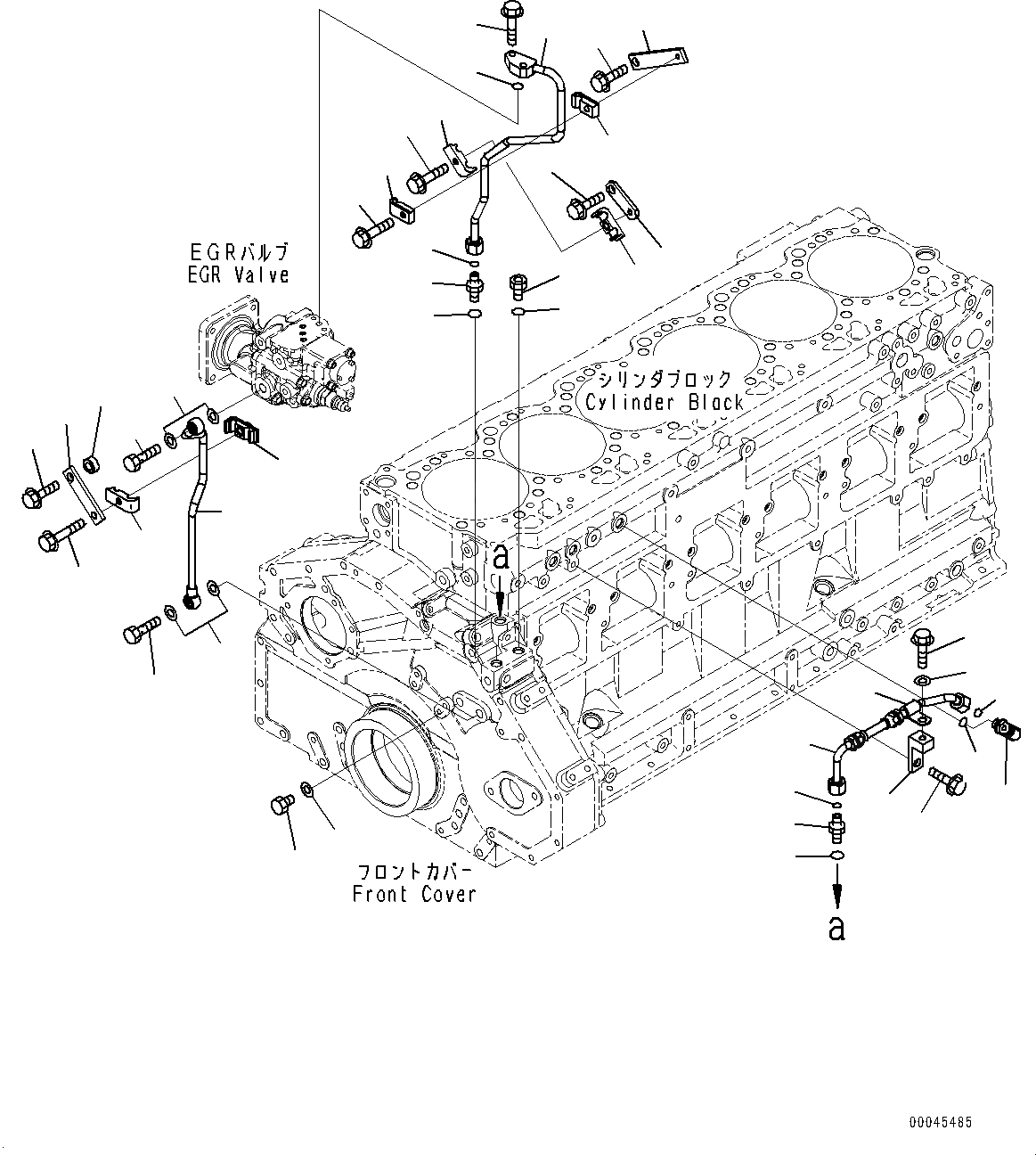
| 1 | 6251-51-9850 | Union | |
| 2 | 6251-51-9890 | O-ring | |
| 3 | 6251-51-9310 | Tube, Supply | |
| 4 | 6251-51-9880 | O-ring | |
| 5 | 07000-E2012 | O-ring | |
| 6 | 01435-00825 | Bolt | |
| 7 | 6251-51-9380 | Plate | |
| 8 | 01435-01020 | Bolt | |
| 9 | 6166-75-6821 | Clamp, half | |
| 10 | 01435-00830 | Bolt | |
| 11 | 6251-51-9391 | Plate | |
| 12 | 01435-01020 | Bolt | |
| 13 | 6166-75-6810 | Clamp | |
| 14 | 01435-00835 | Bolt | |
| 15 | 6215-81-9520 | Plug | |
| 16 | 6251-51-9890 | O-ring | |
| 17 | 6251-51-9510 | Tube, Return | |
| 18 | 07005-01412 | Seal, Washer | |
| 19 | 07206-31014 | Bolt, Joint | |
| 20 | 6251-51-8410 | Plate | |
| 21 | 6132-21-4630 | Spacer | |
| 22 | 01435-01035 | Bolt | |
| 23 | 6166-75-6821 | Clamp, half | |
| 24 | 6261-51-9481 | Clamp, half | |
| 25 | 01435-00840 | Bolt | |
| 26 | 6110-53-5910 | Plug | |
| 27 | 07005-01412 | Seal, Washer | |
| 28 | 6251-51-9220 | Tube, Oil Supply | |
| 29 | 6251-51-9850 | Union | |
| 30 | 6251-51-9810 | Elbow | |
| 31 | 6251-51-9880 | O-ring | |
| 32 | 6251-51-9890 | O-ring | |
| 33 | 6251-51-9230 | Bracket | |
| 34 | 01435-01030 | Bolt | |
| 35 | 600-051-6100 | Clip | |
| 36 | 01435-01020 | Bolt | |
| 37 | 01643-31032 | Washer |