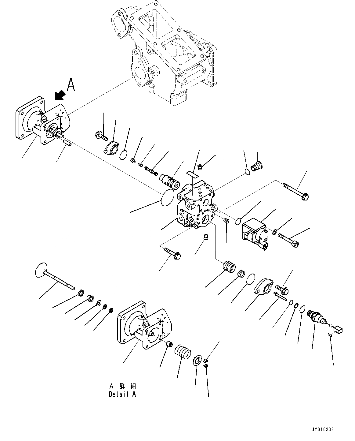
| |$0 | 6261-41-4900 | Valve Assembly, (EGR) | |
| 1 | 6261-41-4910 | Valve Assembly | |
| 2 | 6261-41-4920 | Case | |
| 3 | 6261-41-4810 | Seal | |
| 4 | 6261-41-4820 | Insulator | |
| 5 | 6261-41-4830 | Cover | |
| 6 | 6261-41-4840 | Plate | |
| 7 | 6261-41-4851 | Ring | |
| 8 | 6261-41-9650 | Valve | |
| 9 | 6261-41-9610 | Spring | |
| 10 | 6204-41-4510 | Seat | |
| 11 | 6204-41-4520 | Cotter | |
| 12 | 6204-41-4541 | Seal | |
| 12 | 6261-41-9530 | Case Assembly | |
| 13 | 6261-41-9540 | Case | |
| 14 | 6553-51-2110 | Bushing | |
| 15 | 6553-51-2820 | Seat, T=50mm | |
| 16 | 6553-51-3110 | Spool | |
| 17 | 6553-51-3511 | Spring | |
| 18 | 708-21-12541 | Plug | |
| 19 | 04020-00514 | Pin, Dowel | |
| 20 | 6261-41-9640 | Filter | |
| 21 | 07002-61823 | O-ring | |
| 22 | 6261-41-4960 | Cover | |
| 23 | 07000-E2025 | O-ring | |
| 24 | 01435-00612 | Bolt | |
| 25 | 07000-E2055 | O-ring | |
| 26 | 01435-00895 | Bolt | |
| 27 | 01435-00845 | Bolt | |
| 28 | 6261-41-9580 | Piston | |
| 29 | 6261-41-9620 | Spring | |
| 30 | 6261-41-9550 | Cover | |
| 31 | 07000-A2035 | O-ring | |
| 32 | 01435-00820 | Bolt | |
| 32 | 729-12-11001 | Sensor Assembly | |
| 33 | 729-12-11100 | Sensor Assembly | |
| 34 | 729-12-11700 | Core Assembly | |
| 34 | 729-12-11201 | Core Assembly | |
| 35 | 729-11-11180 | Plate | |
| 36 | 07000-B2012 | O-ring | |
| 37 | 07001-02012 | Ring, Back-up | |
| 38 | 07002-62034 | O-ring | |
| 39 | 6261-41-9590 | Solenoid Assembly | |
| 40 | 07000-A2016 | O-ring | |
| 41 | 6553-81-7110 | Bolt | |
| 42 | 01643-30623 | Washer | |
| 43 | 6261-41-9690 | Plate |