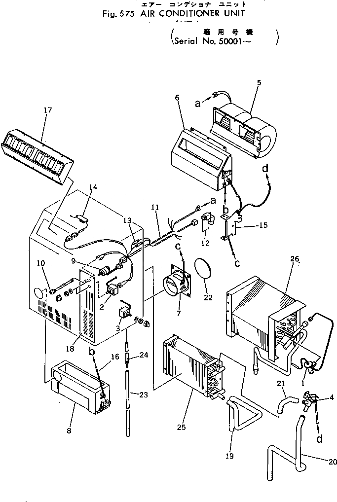
| |1 | 385-10421321 | CONDITIONER ASS'Y | |
| 1 | 385-10431731 | VALVE,EXPANSION | |
| 2 | 385-10431741 | SWITCH,THERMO | |
| 3 | 385-10431781 | THERMOSTAT | |
| 4 | 385-10431791 | VALVE,WATER | |
| 5 | 385-10431801 | MOTOR | |
| 6 | 385-10431811 | DUMPER | |
| 7 | 385-10431821 | DUMPER | |
| 8 | 385-10431831 | DUMPER | |
| 9 | 385-10431841 | SWITCH,BLOWER | |
| 10 | 385-10431851 | LAMP,PILOT | |
| 11 | 385-10431861 | WIRING HARNESS | |
| 12 | 385-10431871 | RELAY | |
| 13 | 385-10431881 | FUSE | |
| 14 | 385-10431891 | RESISTOR | |
| 15 | 385-10431901 | LEVER,CONTROL | |
| 16 | 385-10431911 | WIRE | |
| 17 | 385-10431921 | GRILLE | |
| 18 | 385-10431931 | PLATE¤ OPERATING | |
| 19 | 385-10431941 | HOSE | |
| 20 | 385-10431961 | HOSE | |
| 21 | 385-10431951 | HOSE | |
| 22 | 385-10431971 | FILTER | |
| 23 | 385-10431981 | HOSE | |
| 24 | 385-10431991 | HOSE | |
| 25 | 385-10432001 | HEATER ASS'Y | |
| 26 | 385-10432011 | EVAPORATOR ASS'Y |