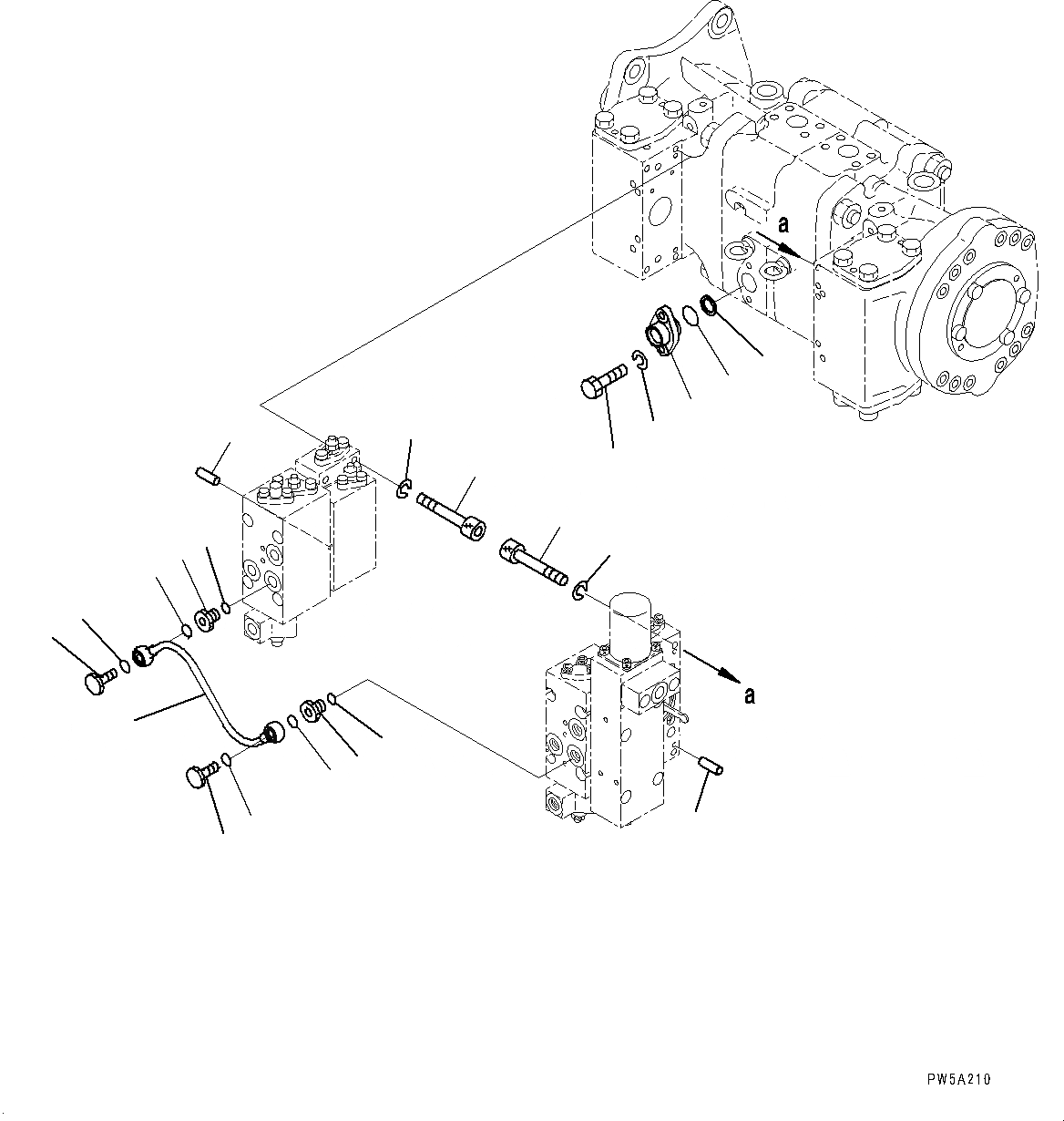
Запчасти no. насос, внутр. части (/) (№8-) экскаваторы pc1250lc-8 s/n 30158-up Komatsu



|$0 708-2L-00681 Pump Assembly
|$1 708-2L-00680 Pump Assembly
1 01252-60850 Bolt, Hexagon Socket Head
2 01602-20825 Washer
3 04020-00616 Pin, Dowel
4 706-46-53180 Bolt
5 706-46-53260 Plug
6 07002-61423 O-ring
7 708-25-19140 Tube
8 07000-B2012 O-ring
9 708-25-19120 Flange
10 07000-B2021 O-ring
11 720-68-15240 Filter
12 01010-80820 Bolt
13 01602-20825 Washer
1
2
2
1
4
3
3
4
8
8
5
6
6
5
8
7
11
12
13
9
10
8
X
Рассчитать