Запчасти no. насос, внутр. части (/) (№8-) экскаваторы pc1250lc-8 s/n 30158-up Komatsu



|$0 708-2L-00681 Pump Assembly
|$1 708-2L-00680 Pump Assembly
|$2 708-25-85260 Valve Assembly, Servo,Rear
|$3 708-25-09681 Valve Assembly, CO+NC
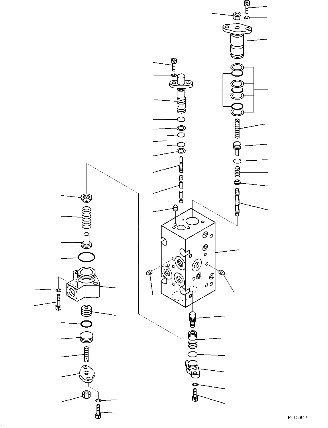
|$4 708-23-00441 Body Assembly
1 Body
2 Expander
3 708-25-17460 Plug
4 708-25-17430 Screw
5 07000-B2010 O-ring
6 708-25-17131 Cover
7 01580-10806 Nut
8 708-25-17141 Spool
9 708-25-17150 Sleeve
10 708-25-17160 Piston
11 708-25-17170 Cover
12 07000-B2014 O-ring
13 708-25-17180 Seat
14 708-25-17690 Spring
15 708-25-17220 Piston
16 708-25-17370 Seat
17 708-25-17250 Spring
18 708-25-17470 Seat
19 708-23-17290 Cover
20 07000-B3028 O-ring
21 708-25-17380 Plug
22 708-25-15340 Screw
23 07000-B2021 O-ring
24 708-23-17240 Cover
25 708-25-17480 Piston
26 01252-60630 Bolt, Hexagon Socket Head
27 01602-20619 Washer
28 01252-60616 Bolt, Hexagon Socket Head
29 01602-20619 Washer
30 01580-10806 Nut
31 07000-B2012 O-ring
32 07001-02012 Ring, Back-up
33 708-25-17451 Sleeve
34 07000-B2012 O-ring
35 01252-60616 Bolt, Hexagon Socket Head
36 01602-20619 Washer
37 07000-B2021 O-ring
38 07001-02021 Ring, Back-up
1
2
2
3
4
5
6
30
8
9
10
11
12
13
14
2
15
16
17
18
19
20
21
22
23
24
25
26
27
35
36
28
29
7
31
32
32
33
34
35
36
37
38
28
29
8
X
Рассчитать