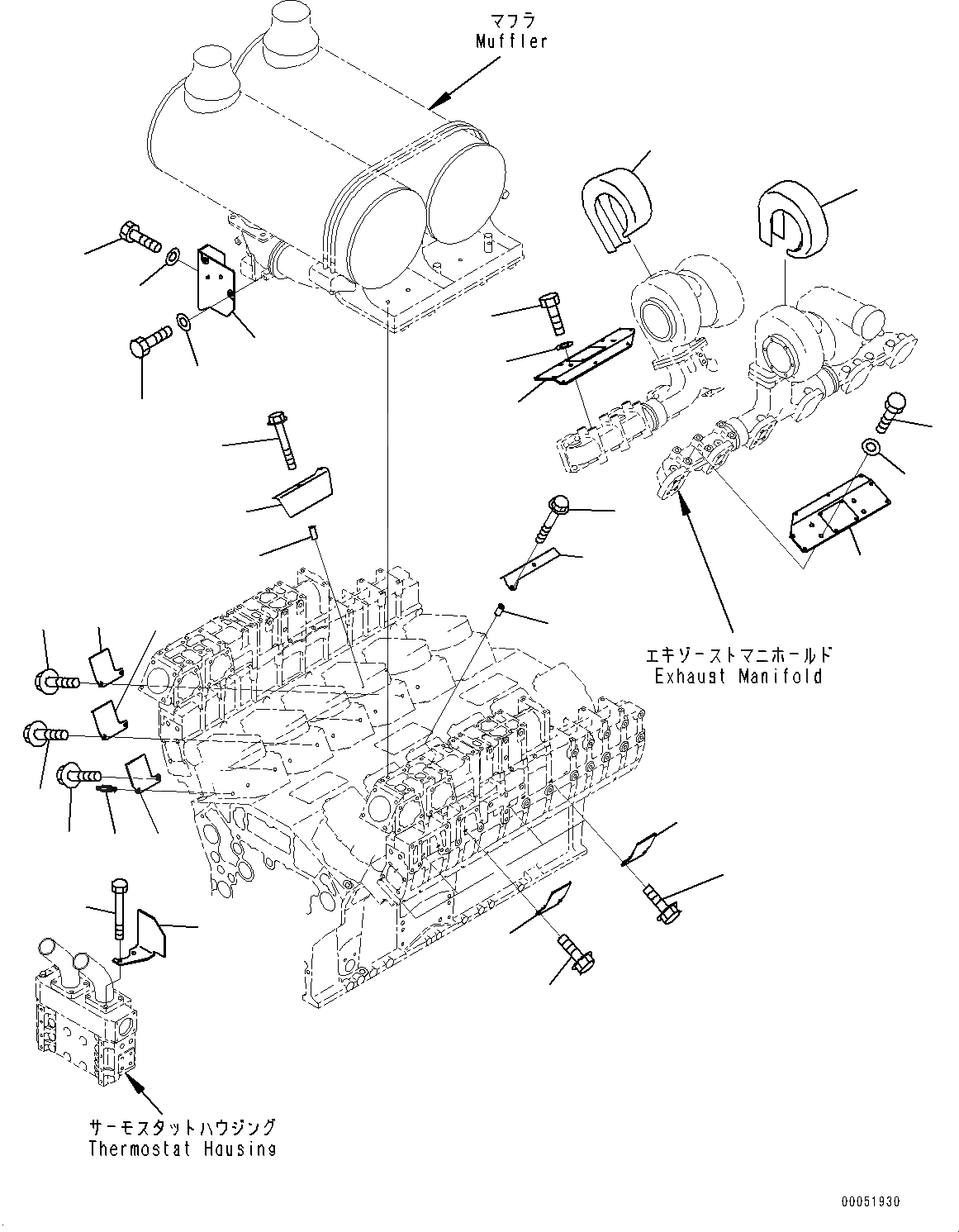
Запчасти термозащита, (№-97) двигатели saa12v140e-3c s/n 501918-up (for pc2000-8) Komatsu



1 6219-11-5780 Cover
2 01010-E1040 Bolt
3 01643-31032 Washer
4 6261-11-8280 Cover,L.H.
5 6219-11-8240 Cover,R.H.
6 6219-11-5790 Plate
7 6137-71-3750 Spacer
8 01435-00895 Bolt
9 6219-11-5760 Cover
10 01010-E1016 Bolt
11 01643-31032 Washer
12 6219-81-6460 Cover
13 01011-81035 Bolt
14 6219-21-6410 Plate
15 6219-21-6420 Plate
16 6219-21-6450 Bolt
17 01435-01025 Bolt
1
2
3
4
5
6
7
8
9
10
11
14
15
16
17
10
11
6
7
8
1
2
3
15
14
14
17
17
17
17
12
13
X
Рассчитать