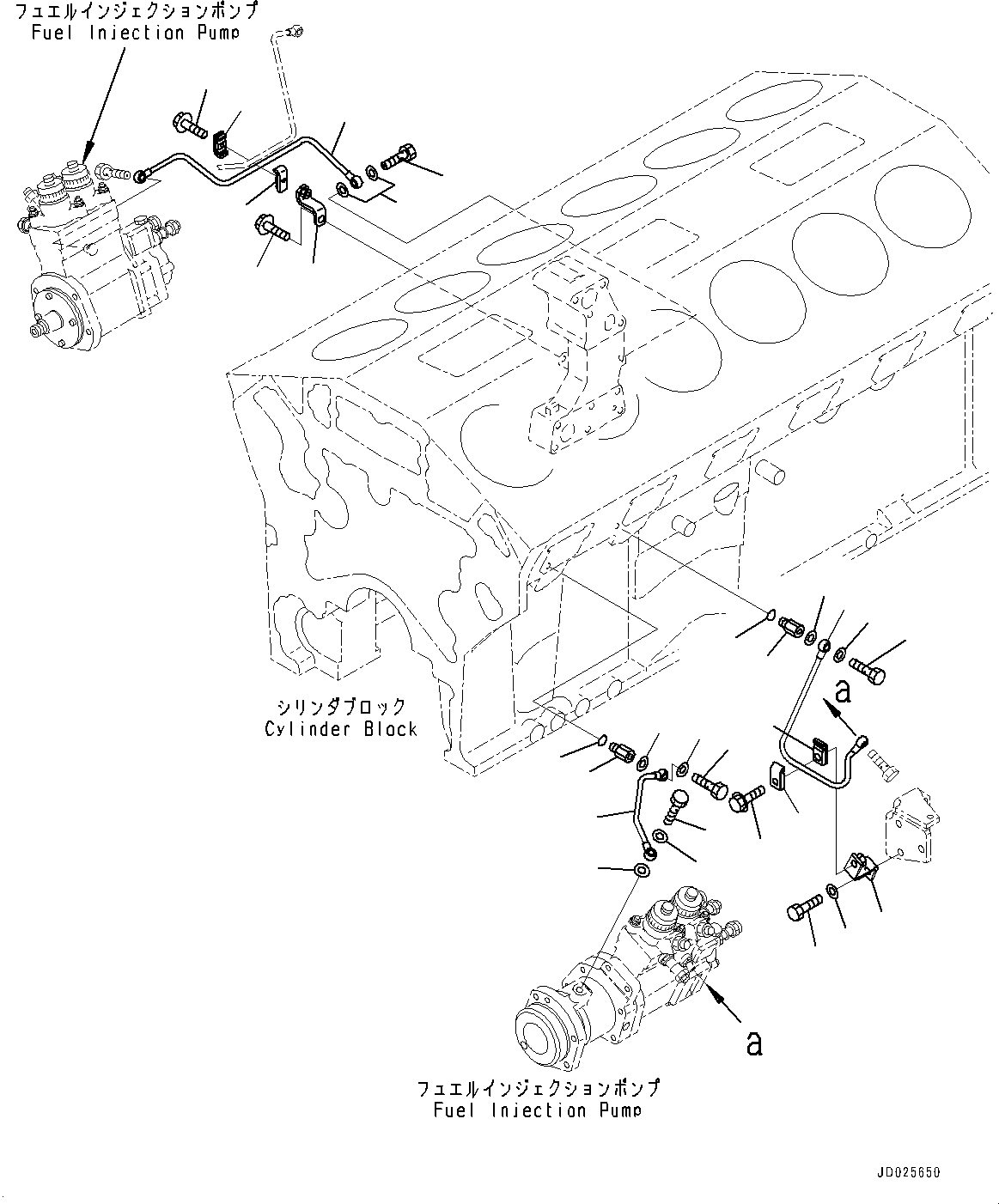
Запчасти топливн. насос смазка (№9-) двигатели saa12v140e-3c s/n 501918-up (for pc2000-8) Komatsu



1 6219-71-5820 Tube
2 6219-71-5830 Tube
3 6219-71-5810 Tube
4 6934-72-7190 Bolt, Joint
5 07005-01012 Seal, Washer
6 6212-65-8860 Adapter
7 6215-81-9720 O-ring
8 6219-71-4530 Bracket
9 01010-81025 Bolt
10 01643-31032 Washer
11 6219-71-5360 Bracket
12 01435-01020 Bolt
13 6934-72-5660 Clamp
14 01435-01040 Bolt
15 6217-71-6650 Clamp
16 01435-00635 Bolt
8
9
1
13
13
14
2
3
5
4
5
5
5
4
4
4
5
5
7
7
6
6
12
11
16
15
15
10
5
X
Рассчитать