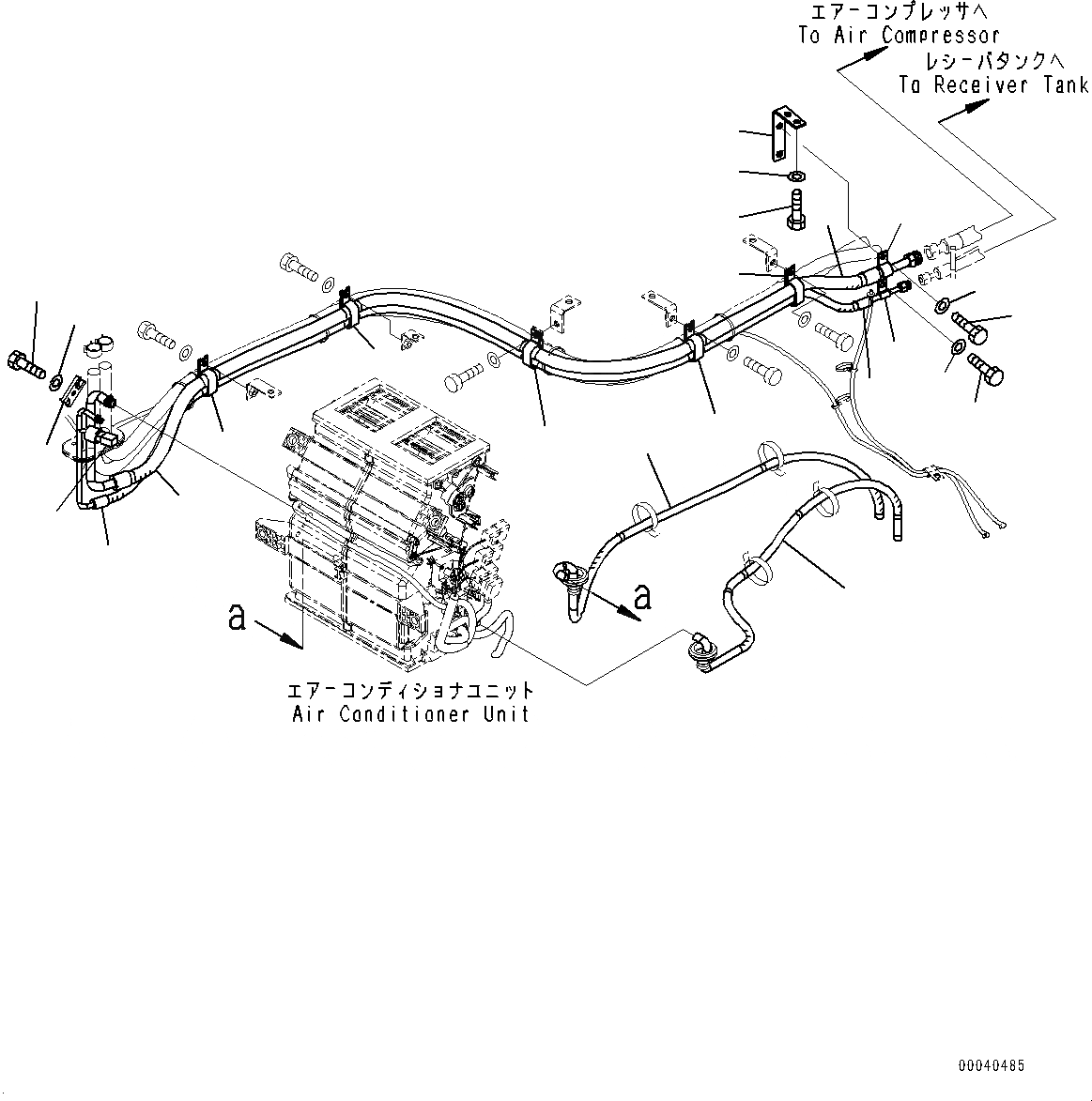
Запчасти кабина rops, трубки кондиционера (№-) погрузчики колесные wa430-6 s/n 65501-up (ecot3, for eu) Komatsu



1 423-07-31340 Hose
2 423-07-31350 Hose
3 423-S62-4161 Hose
4 423-S62-3510 Switch, Pressure,Dual
5 423-S62-4171 Hose
6 423-S62-3370 Plate
7 04435-52210 Clip
8 423-S62-4320 Bracket
9 01010-81020 Bolt
10 01643-31032 Washer
11 04434-51610 Clip
12 01010-81020 Bolt
13 01643-31032 Washer
14 04434-50810 Clip
15 01010-81020 Bolt
16 01643-31032 Washer
17 01010-80620 Bolt
18 01643-30623 Washer
3
4
5
7
8
9
10
11
12
13
14
15
16
6
18
17
4
7
7
7
5
3
1
2
X
Рассчитать