zakaz@zapkomat.su
8 800 777-45-32
Расчитать заявку
Каталог
Типы
Гидравлика
Крепеж
Прокладки
Соединения
Кожухи
Электрика
Справочник
Запрос сотрудничества
Сервисным организациям
Контакты
Главная
Справочник
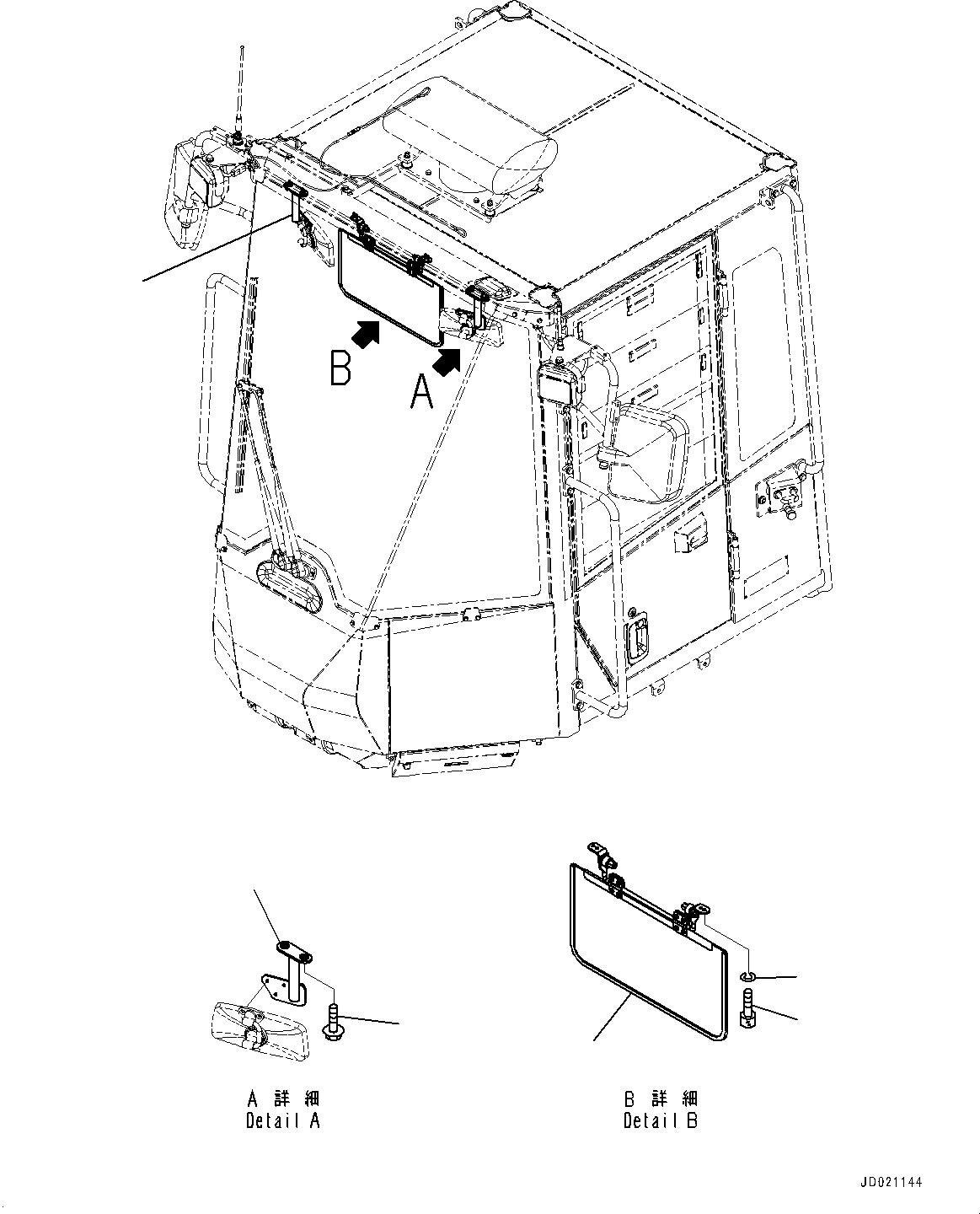
Запчасти кабина rops, козырек (№-) погрузчики колесные wa430-6 s/n 65501-up (ecot3, for eu) Komatsu
1
423-925-4641
Stay
2
423-925-4651
Stay
3
01435-40620
Bolt
4
425-925-3281
Sunvisor
5
01252-80520
Bolt, Hexagon Socket Head
6
01601-50513
Washer, Spring
1
3
4
5
6
2
X
Рассчитать
Ваше имя:
Телефон *:
E-mail:
Сообщение: Пришлите наличие и стоимость
Оформить заказ