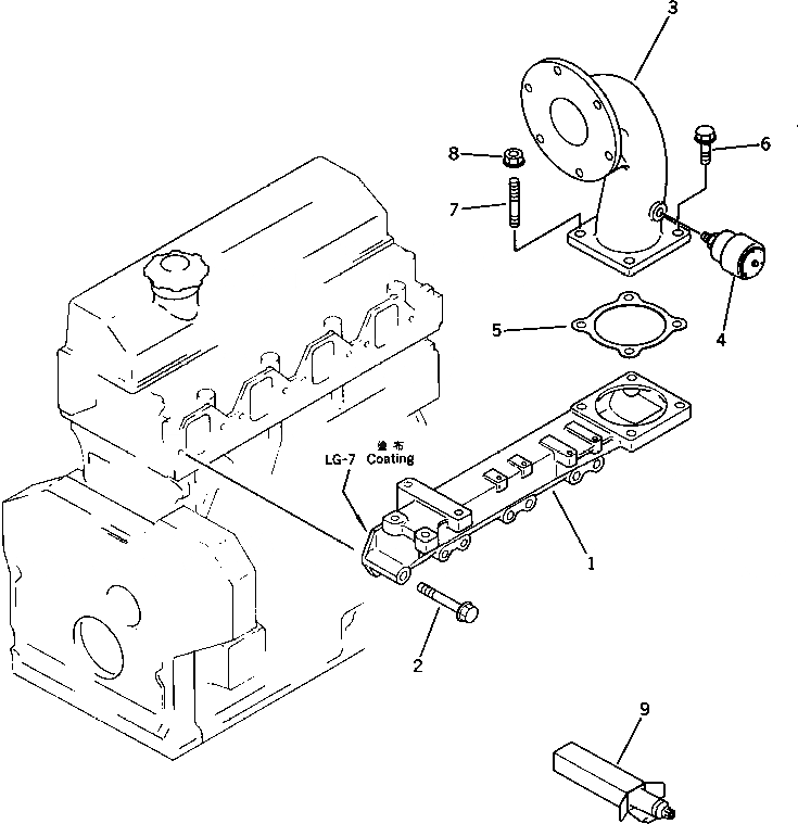
Запчасти трубопровод впуска воздуха и соедин-е(№977-97) генераторы дизельные eg33bs-1 s/n 4501-up Komatsu



1 6204-11-4130 MANIFOLD,INTAKE
|1 6204-11-4120 INTAKE MANIFOLD A.,INTAKE
2 01435-21075 BOLT
3 6204-12-4210 CONNECTOR,AIR
4 08670-00635 INDICATOR,DUST
5 6136-11-4820 GASKET (K1)
6 01435-21025 BOLT
7 01144-31025 STUD
8 01584-01008 NUT
9 09920-00150 LIQUID GASKET,LG-7¤ 150G
X
Рассчитать