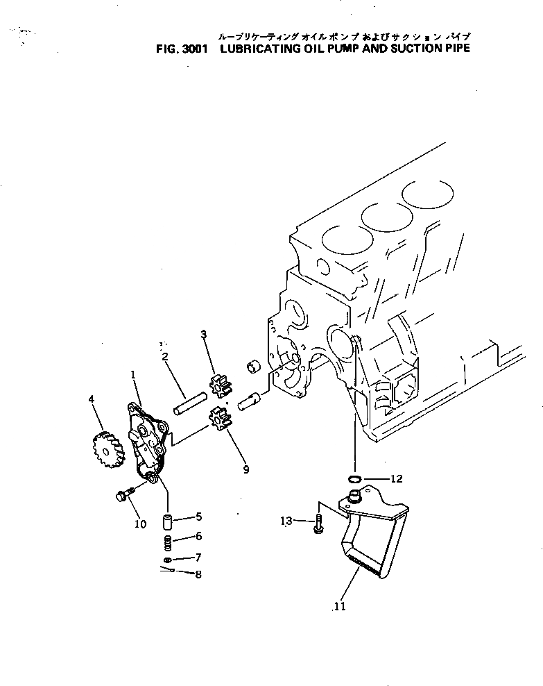
| |1 | 6204-51-1100 | OIL PUMP ASS'Y | |
| |1 | 6204-51-1200 | COVER ASS'Y | |
| 1 | |||
| |2 | 6204-51-1400 | SHAFT ASS'Y | |
| 2 | |||
| 3 | 6204-51-1410 | GEAR | |
| 4 | 6206-51-1510 | GEAR | |
| 5 | 6204-51-1310 | VALVE | |
| 6 | 6204-51-1320 | SPRING | |
| 7 | 6204-51-1330 | WASHER | |
| 8 | 6204-51-1340 | PIN | |
| 9 | 6204-51-1610 | GEAR | |
| 10 | 01435-20816 | BOLT | |
| 11 | 6204-51-6160 | TUBE | |
| 12 | 6204-51-6120 | O-RING | |
| 13 | 01435-20820 | BOLT |