Запчасти основн. конструкция, рычаг переключения передач (/) (№79-) трубоукладчики d355c-3 s/n 15479-up (extreme cold area arrangement (-50 deg c) , hydraulic winch) Komatsu



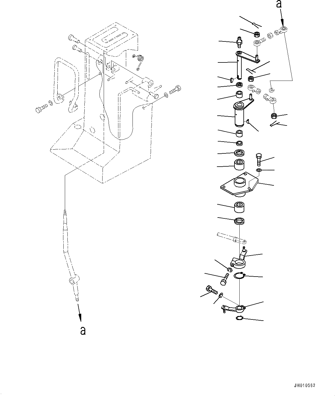
1 195-43-21122 Bracket
2 06120-04520 Bearing, Needle
3 06122-14504 Seal, Oil
4 176-43-42280 Lever
5 06120-02016 Bearing, Needle
6 06122-12004 Seal, Oil
7 04064-04518 Ring, Snap
8 176-43-42210 Lever
9 01010-80845 Bolt
10 01602-20825 Washer
11 04010-00516 Key
12 195-43-21142 Lever
13 07020-00000 Fitting, Grease
14 04064-02012 Ring, Snap
15 176-43-42151 Lever
16 01010-80830 Bolt
17 01602-20825 Washer
18 04010-00516 Key
19 01593-31008 Nut, Slotted
20 04050-12018 Pin, Cotter
21 01010-81230 Bolt
22 01643-31232 Washer
2
3
20
19
22
21
1
6
5
4
5
6
7
8
9
10
11
12
13
14
15
16
17
18
19
20
2
3
20
19
X
Рассчитать