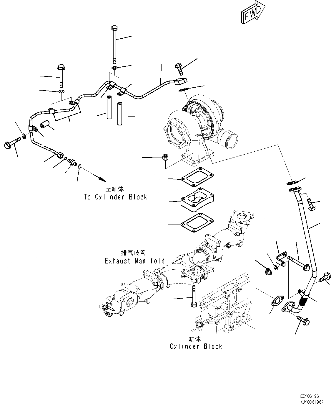
| 1 | 6251-11-5830 | GASKET | |
| 2 | 6156-11-5160 | BOLT | |
| 3 | 6114-11-5590 | NUT | |
| 4 | 6251-11-5180 | PLATE | |
| 5 | 6251-51-8230 | TUBE, SUPPLY | |
| 6 | 6221-51-8160 | GASKET | |
| 7 | 01435-00830 | BOLT | |
| 8 | 6251-51-9880 | O-RING | |
| 9 | 6251-51-9850 | UNION | |
| 10 | 6251-51-9890 | O-RING | |
| 11 | 6151-51-5490 | SPACER | |
| 12 | 01011-81095 | BOLT | |
| 13 | 01435-01085 | BOLT | |
| 14 | 6150-81-6920 | SPACER | |
| 15 | 01435-01065 | BOLT | |
| 16 | 600-051-6100 | CLIP | |
| 17 | 01643-31032 | WASHER | |
| 18 | 6251-51-8330 | TUBE, RETURN | |
| 19 | 6151-51-8151 | GASKET | |
| 20 | 01435-01025 | BOLT | |
| 21 | 6154-51-8310 | GASKET | |
| 22 | 01435-01025 | BOLT | |
| 23 | 6251-21-5480 | BRACKET | |
| 24 | 01435-01095 | BOLT | |
| 25 | 600-051-6190 | CLIP | |
| 26 | 01643-31032 | WASHER | |
| 27 | 01584-01008 | NUT | |
| 28 | 01435-01025 | BOLT |