zakaz@zapkomat.su
8 800 777-45-32
Расчитать заявку
Каталог
Типы
Гидравлика
Крепеж
Прокладки
Соединения
Кожухи
Электрика
Справочник
Запрос сотрудничества
Сервисным организациям
Контакты
Главная
Справочник
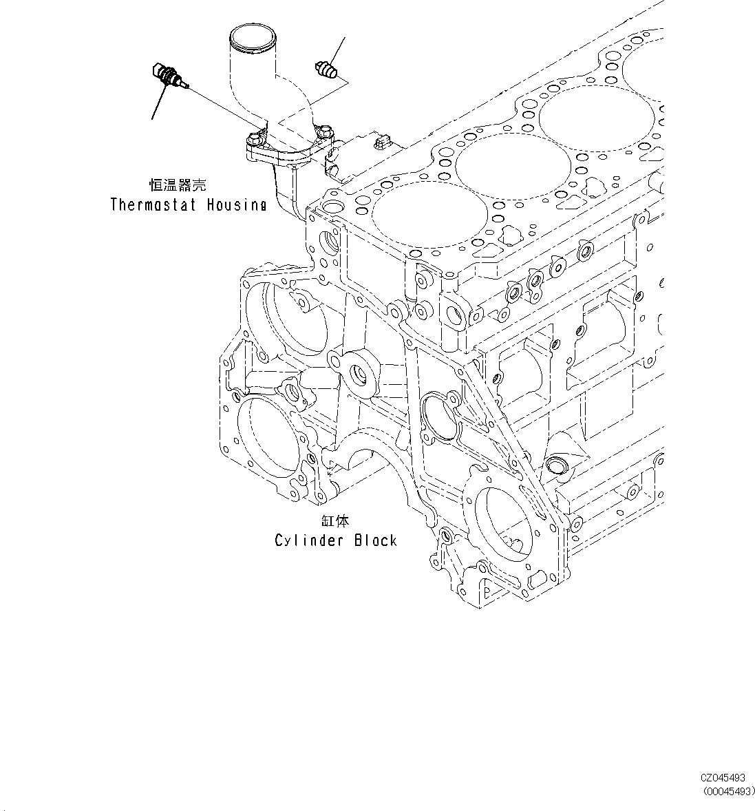
Запчасти датчик температуры воды двигатели saa6d125e-5f s/n 674420-up Komatsu
1
07042-A0415
PLUG
2
6261-81-6901
SENSOR ASSEMBLY, TEMPERATURE
|$3
6216-84-9740
SEAL
2
1
X
Рассчитать
Ваше имя:
Телефон *:
E-mail:
Сообщение: Пришлите наличие и стоимость
Оформить заказ