zakaz@zapkomat.su
8 800 777-45-32
Расчитать заявку
Каталог
Типы
Гидравлика
Крепеж
Прокладки
Соединения
Кожухи
Электрика
Справочник
Запрос сотрудничества
Сервисным организациям
Контакты
Главная
Справочник
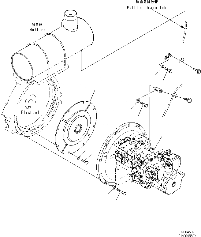
Запчасти демпфер экскаваторы pc360-8m0 s/n dzag0001-up Komatsu
1
207-01-71310
DISC
2
01010-81225
BOLT
3
01643-31232
WASHER
4
01010-81240
BOLT
5
01643-31232
WASHER
6
01010-81245
BOLT
7
01643-31232
WASHER
8
708-2G-00181
PUMP ASSEMBLY
1
3
2
5
4
8
7
6
7
6
X
Рассчитать
Ваше имя:
Телефон *:
E-mail:
Сообщение: Пришлите наличие и стоимость
Оформить заказ