- Главная
- Справочник
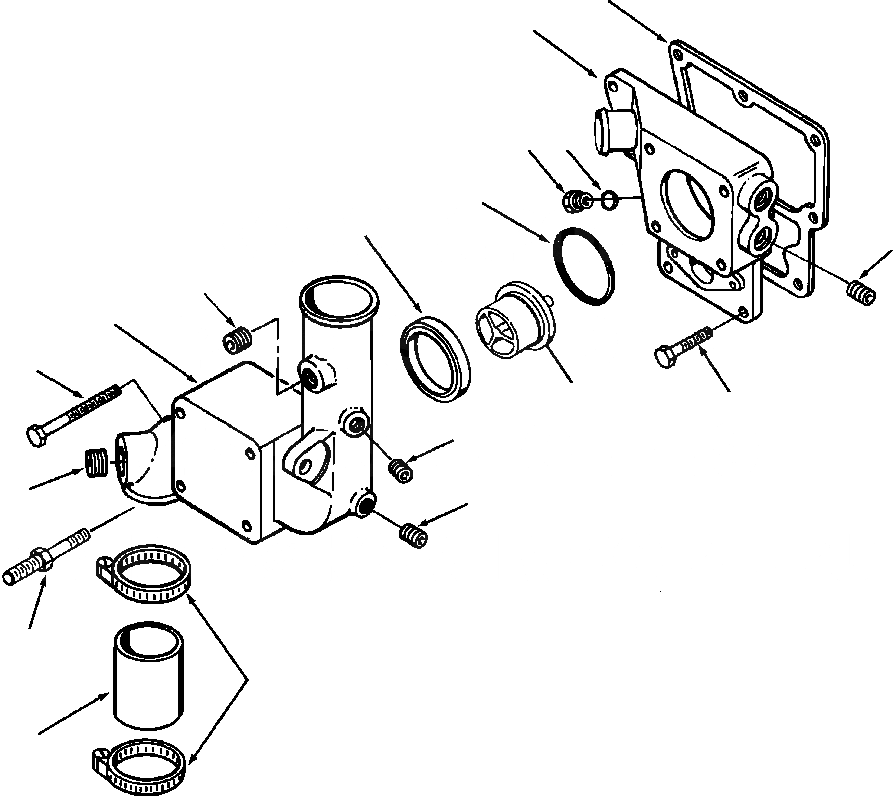
Запчасти термостат экскаваторы pc400lc-5 s/n a40001-a70500 Komatsu
|
|
|$0 |
1246 511 H91 |
HOUSING, THERMOSTAT
|
|
|
1 |
NSS |
HOUSING, THERMOSTAT
|
|
|
2 |
1238 500 H1 |
SEAL, THERMOSTAT
|
|
|
3 |
1240 101 H1 |
PLUG, PIPE
|
|
|
4 |
1239 159 H1 |
PLUG, PIPE
|
|
|
5 |
1239 160 H1 |
PLUG, PIPE
|
|
|
6 |
1277 844 H91 |
SUPPORT, THERMOSTAT HOUSING
|
|
|
7 |
1240 551 H1 |
GASKET, THERMOSTAT HOUSING
|
|
|
8 |
1277 843 H1 |
HOSE, PLAIN
|
|
|
9 |
1246 515 H1 |
BOLT
|
|
|
10 |
1246 517 H3 |
GASKET, SUPPORT
|
|
|
|$11 |
1246 118 H91 |
PLUG ASSEMBLY, THREADED
|
|
|
11 |
1246 119 H1 |
O-RING
|
|
|
12 |
NSS |
PLUG, THREADED
|
|
|
13 |
1278 261 H1 |
CLAMP, HOSE
|
|
|
14 |
1246 520 H1 |
BOLT
|
|
|
15 |
1238 601 H2 |
THERMOSTAT
|
|
|
16 |
1239 300 H1 |
PLUG, PIPE
|
|
|
17 |
1296 108 H1 |
BOLT - SPECIAL
|
10
6
11
12
7
2
16
4
1
9
17
14
4
5
3
15
13
8