zakaz@zapkomat.su
8 800 777-45-32
Расчитать заявку
Каталог
Типы
Гидравлика
Крепеж
Прокладки
Соединения
Кожухи
Электрика
Справочник
Запрос сотрудничества
Сервисным организациям
Контакты
Главная
Справочник
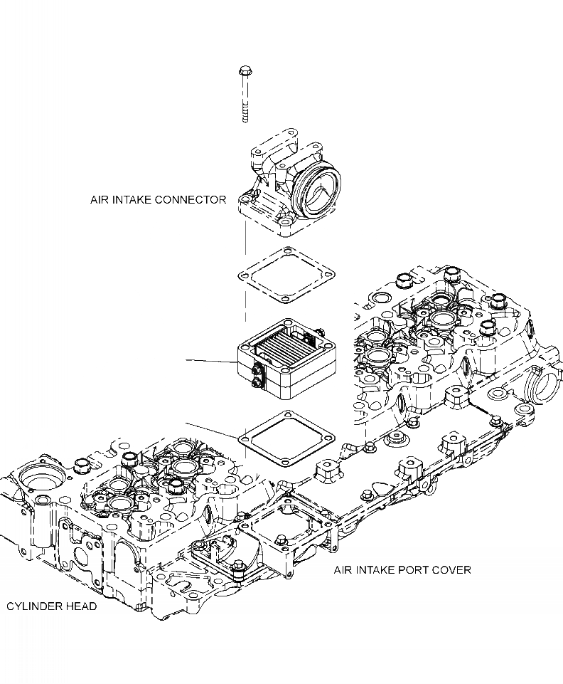
Запчасти a7-aa подогреватель впуска воздуха погрузчики колесные wa380-6 s/n a53001-up Komatsu
1
6754-11-4120
GASKET, CONNECTION
2
6754-81-5110
HEATER, INTAKE AIR
N/I
6732-81-4630
TAG
2
1
X
Рассчитать
Ваше имя:
Телефон *:
E-mail:
Сообщение: Пришлите наличие и стоимость
Оформить заказ