- Главная
- Справочник
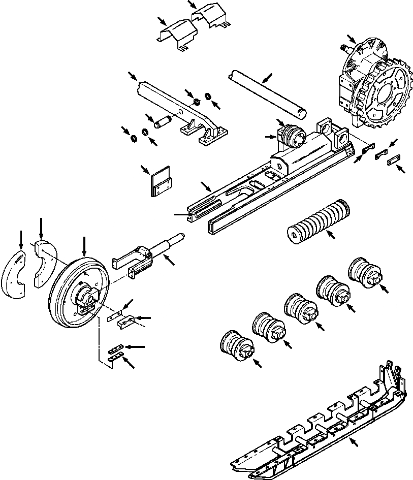
Запчасти fig. r-a нижн.carriage - de-a бульдозеры гусеничные d32e-1a/p-1a s/n p076093-up Komatsu
|
|
|$0 |
1312 978 H91 |
TRACK FRAME
|
|
|
|$1 |
1312 981 H92 |
FRAME, LEFT TRACK
|
|
|
|$2 |
1312 982 H92 |
FRAME, RIGHT TRACK
|
|
|
1 |
NSS |
FRAME, TRACK
|
|
|
2 |
621 338 C1 |
BAR, FRONT IDLER WEAR
|
|
|
|$8 |
662 526 C1 |
BAR, FRONT IDLER WEAR
|
|
|
3 |
1233 532 H1 |
BLOCK, TOP IDLER MOUNTING
|
|
|
|$10 |
1260 010 H91 |
STABILIZING LINKAGE
|
|
|
4 |
338 159 R1 |
RING, SNAP
|
|
|
5 |
1283 831 H1 |
RETAINER, RING
|
|
|
6 |
1250 708 H1 |
BAR, REAR RIGID
|
|
|
7 |
621 410 C1 |
LOCK PLATE, BAR
|
|
|
|$15 |
24 875 R1 |
BOLT, HEX - 5/8NCx2
|
|
|
|$16 |
25 537 R1 |
WASHER, FLAT - 5/8
|
|
|
8 |
621 411 C1 |
SHIM, BAR LOCK PLATE
|
|
|
9 |
1306 387 H1 |
SHIM, BAR LOCK PLATE
|
|
|
10 |
621 560 C1 |
PIN, MOUNTING
|
|
|
11 |
1250 814 H91 |
CROSSBAR, FRONT
|
|
|
|$21 |
24 889 R1 |
BOLT, HEX - 3/4NCx2-1/4
|
|
|
|$22 |
25 548 R1 |
WASHER, FLAT - 3/4
|
|
|
|$23 |
636 966 C91 |
TRACK ROLLERS AND TOP IDLERS
|
|
|
|$25 |
275 635 R1 |
BOLT, HEX - 1/2NCx3
|
|
|
|$26 |
25 536 R1 |
WASHER, FLAT - 1/2
|
|
|
|$28 |
24 878 R1 |
BOLT, HEX - 5/8NCx2-3/4
|
|
|
|$29 |
25 537 R1 |
WASHER, FLAT - 5/8
|
|
|
|$30 |
1281 182 H91 |
FRONT IDLER AND ADJUSTER
|
|
|
15 |
622 044 C1 |
BAR, WEAR
|
|
|
|$33 |
205 079 R1 |
BOLT, HEX - 7/16NCx1-1/8
|
|
|
|$34 |
115 314 |
WASHER, 7/16 LOCK
|
|
|
16 |
621 423 C1 |
SHIM, WEAR BAR
|
|
|
17 |
1280 514 H1 |
PLATE, THRUST
|
|
|
|$37 |
24 874 R1 |
BOLT, HEX - 5/8NCx1-3/4
|
|
|
18 |
1280 515 H1 |
SHIM, THRUST PLATE
|
|
|
|$43 |
1285 338 H91 |
COUNTERWEIGHT
|
|
|
22 |
1285 310 H1 |
COUNTERWEIGHT, FRONT IDLER
|
|
|
|$45 |
24 868 R1 |
BOLT, HEX - 1/2NCx4
|
|
|
|$46 |
25 555 R1 |
WASHER, FLAT - 1/2
|
|
|
|$47 |
9412 230 |
NUT, LOCK - 1/2NC
|
|
|
|$50 |
1301 225 H91 |
TRACK FRAME COVERS
|
|
|
25 |
1301 180 H1 |
COVER, REAR
|
|
|
|$52 |
24 860 R1 |
BOLT, HEX - 1/2NCx1
|
|
|
|$53 |
25 536 R1 |
WASHER, FLAT - 1/2
|
|
|
26 |
1301 184 H1 |
COVER, FRONT
|
|
|
|$55 |
24 860 R1 |
BOLT, HEX - 1/2NCx1
|
|
|
|$56 |
25 536 R1 |
WASHER, FLAT - 1/2
|
25
26
21
11
6
5
10
4
13
4
8
3
5
24
9
7
1
22
2
22
14
19
20
18
12
12
17
12
15
12
16
12
23