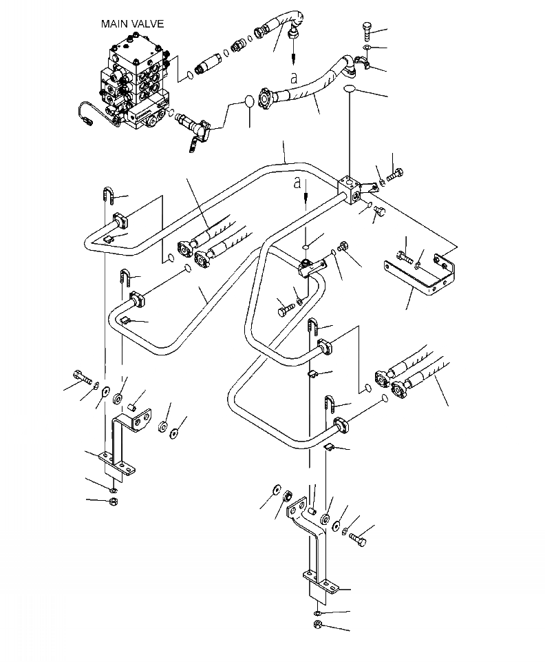
| 1 | 423-62-43530 | HOSE | |
| 2 | 07371-31049 | FLANGE | |
| 3 | 07000-13032 | O-RING | |
| 4 | 07372-21035 | BOLT | |
| 5 | 01643-51032 | WASHER | |
| 6 | 423-62-43431 | TUBE | |
| 7 | 423-62-43540 | HOSE | |
| 8 | 423-62-43420 | TUBE | |
| 9 | 02896-61018 | O-RING | |
| 10 | 07040-11812 | PLUG | |
| 11 | 07002-11823 | O-RING | |
| 12 | 423-62-36430 | BRACKET | |
| 13 | 01010-81050 | BOLT | |
| 14 | 01643-31032 | WASHER | |
| 15 | 415-64-13130 | CUSHION | |
| 16 | 421-62-18560 | SPACER | |
| 17 | 419-43-17930 | CUSHION | |
| 18 | 415-64-13120 | WASHER | |
| 19 | 07283-32746 | CLIP | |
| 20 | 07283-52737 | SEAT | |
| 21 | 01597-01009 | NUT | |
| 22 | 01643-31032 | WASHER | |
| 23 | 07283-32746 | CLIP | |
| 24 | 07283-52737 | SEAT | |
| 25 | 01597-01009 | NUT | |
| 26 | 01643-31032 | WASHER | |
| 27 | 423-62-43140 | PLATE | |
| 28 | 01010-D1225 | BOLT | |
| 29 | 01643-31232 | WASHER | |
| 30 | 01010-81230 | BOLT | |
| 31 | 01643-31232 | WASHER |