zakaz@zapkomat.su
8 800 777-45-32
Расчитать заявку
Каталог
Типы
Гидравлика
Крепеж
Прокладки
Соединения
Кожухи
Электрика
Справочник
Запрос сотрудничества
Сервисным организациям
Контакты
Главная
Справочник
Запчасти a-aa топливн. впрыск экскаваторы pc270lc-8 s/n a87001-up Komatsu
|$0
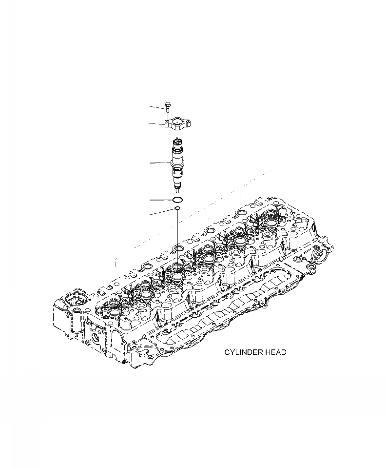
6754-11-3011
INJECTOR ASSEMBLY
1
6754-11-3110
CLAMP, INJECTOR
2
NSS
INJECTOR
3
6754-11-3130
SEAL, INJECTOR
4
6754-11-3140
SEAL, O-RING
5
6742-01-2630
BOLT (M6-1.00x30)
5
1
2
4
3
X
Рассчитать
Ваше имя:
Телефон *:
E-mail:
Сообщение: Пришлите наличие и стоимость
Оформить заказ