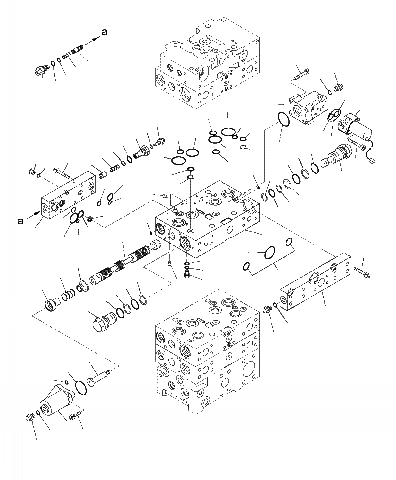
| |$1 | NSS | BODY SUBASSEMBLY | |
| 1 | NSS | BLOCK | |
| 2 | NSS | SPOOL | |
| 3 | 723-46-15390 | PLUG | |
| 4 | 723-46-16720 | RETAINER | |
| 5 | 723-46-15380 | RETAINER | |
| 6 | 723-46-14381 | SPRING | |
| 7 | 723-46-17840 | CASE | |
| 8 | 07430-71380 | O-RING | |
| 9 | 01252-60820 | BOLT | |
| 10 | 706-73-71450 | PLUG | |
| 11 | 07002-11423 | O-RING | |
| 12 | 723-11-19960 | O-RING | |
| 13 | NSS | CASE | |
| 14 | 07000-11008 | O-RING | |
| 15 | 01252-60840 | BOLT | |
| 16 | NSS | PLUG | |
| 17 | 723-46-16731 | PLUG | |
| 18 | 723-46-16741 | PLUG | |
| 19 | 07002-13634 | O-RING | |
| 20 | 700-93-11320 | O-RING | |
| 21 | 723-46-41950 | RING | |
| 22 | 07000-12018 | O-RING | |
| 23 | 07001-02018 | RING, BACK-UP | |
| 24 | 723-46-16750 | PLATE | |
| 25 | 708-8E-16150 | PLUG | |
| 26 | 07002-11023 | O-RING | |
| 27 | 07000-13035 | O-RING | |
| 28 | 07000-12021 | O-RING | |
| 29 | 01252-61045 | BOLT | |
| 30 | 702-21-07610 | SOLENOID VALVE | |
| 31 | 700-22-11410 | O-RING | |
| 32 | 702-21-39450 | O-RING | |
| 33 | 203-60-62220 | BOLT | |
| 34 | 01252-60835 | BOLT | |
| |$36 | 723-40-93400 | VALVE ASSEMBLY | |
| 35 | 723-40-93500 | VALVE RELIEF | |
| 36 | 702-16-53920 | O-RING | |
| 37 | 07002-11623 | O-RING | |
| 38 | NSS | BLOCK | |
| 39 | NSS | SPOOL | |
| 40 | 702-21-55640 | SPRING | |
| 41 | 723-56-31610 | VALVE | |
| 42 | 723-56-31620 | SPRING | |
| 43 | 723-50-61440 | PLUG | |
| 44 | 07000-12010 | O-RING | |
| 45 | 07002-12034 | O-RING | |
| 46 | 708-2L-35530 | PLUG | |
| 47 | 07002-61023 | O-RING | |
| 48 | 702-21-53130 | FILTER | |
| 49 | 702-21-55520 | O-RING | |
| 50 | 702-21-55420 | O-RING | |
| 51 | 723-46-17530 | O-RING | |
| 52 | 723-11-18190 | PLUG | |
| 53 | 07002-11023 | O-RING | |
| 54 | 723-11-19110 | O-RING | |
| 55 | 723-46-18710 | O-RING | |
| 56 | 07000-11008 | O-RING | |
| 57 | 723-11-19130 | O-RING | |
| 58 | 723-46-17520 | RING | |
| 59 | 723-46-17510 | O-RING | |
| 60 | 723-46-16520 | O-RING | |
| 61 | 722-12-19070 | O-RING | |
| 62 | 723-46-17530 | O-RING | |
| 63 | 723-46-16960 | PLUG | |
| 64 | 07000-11010 | O-RING | |
| 65 | 07001-01010 | RING |