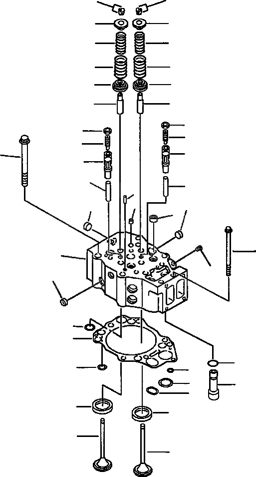
| |$0 | 6211-11-1011 | CYLINDER HEAD ASSEMBLY W/VALVE | |
| |$1 | 6211-11-1100 | CYLINDER HEAD ASSEMBLY W/O VALVE | |
| 1 | NSS | HEAD, CYLINDER | |
| 2 | 6210-16-1340 | GUID, VALVE | |
| 3 | 6210-11-1140 | GUIDE, CROSSHEAD | |
| 4 | 04020-00820 | PIN, DOWEL | |
| 5 | 07046-41810 | PLUG | |
| 6 | 6162-13-1150 | PLUG, EXPANSION | |
| 7 | 6210-11-1330 | INSERT, INTAKE VALVE (STD) | |
| |$9 | 6210-19-1330 | INSERT, INTAKE VALVE - 0.25mm (OS) | |
| |$10 | 6210-18-1330 | INSERT, INTAKE VALVE - 0.50mm (OS) | |
| |$11 | 6210-17-1330 | INSERT, INTAKE VALVE - 0.75mm (OS) | |
| |$12 | 6210-16-1330 | INSERT, INTAKE VALVE - 1.00mm (OS) | |
| 8 | 6210-11-1321 | INSERT, EXHAUST VALVE (STD) | |
| |$14 | 6210-19-1321 | INSERT, EXHAUST VALVE - 0.25mm (OS) | |
| |$15 | 6210-18-1321 | INSERT, EXHAUST VALVE - 0.50mm (OS) | |
| |$16 | 6210-17-1321 | INSERT, EXHAUST VALVE - 0.75mm (OS) | |
| |$17 | 6210-16-1321 | INSERT, EXHAUST VALVE - 1.00mm (OS) | |
| 9 | 6210-11-1150 | PIPE | |
| 10 | 07000-63025 | O-RING, CYLINDER HEAD | |
| 11 | 07043-50108 | PLUG | |
| 12 | 6215-41-4110 | VALVE, INTAKE | |
| 13 | 6215-41-4211 | VALVE, EXHAUST | |
| 14 | 6210-41-4440 | SPRING, INNER | |
| 15 | 6210-41-4430 | SPRING, OUTER | |
| 16 | 6210-41-4530 | SEAT, LOWER | |
| 17 | 6210-41-4510 | SEAT, UPPER | |
| 18 | 6163-41-4520 | COTTER | |
| 19 | 6210-41-5620 | CROSSHEAD | |
| 20 | 6210-41-5640 | SCREW | |
| 21 | 6127-41-5630 | NUT | |
| 22 | 6210-17-1812 | GASKET, CYLINDER HEAD | |
| 23 | 6210-11-1820 | GROMMET, OIL | |
| 24 | 6210-11-1830 | GROMMET, OIL | |
| 25 | 6210-11-1840 | GROMMET, OIL | |
| 26 | 6210-11-1961 | GROMMET, WATER | |
| 27 | 6210-11-1951 | GROMMET, WATER | |
| 28 | 6210-11-1610 | BOLT | |
| 29 | 6150-81-9160 | BOLT |