- Главная
- Справочник
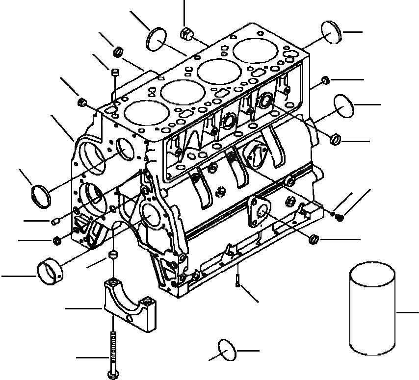
Запчасти fig. a-aa блок цилиндров бульдозеры гусеничные d38e-1a/p-1a s/n p086301-up Komatsu
|
|
|$0 |
6731-21-1130 |
BLOCK ASSEMBLY, CYLINDER
|
|
|
1 |
NSS |
BLOCK, CYLINDER
|
|
|
2 |
6731-21-1260 |
CAP, BEARING
|
|
|
3 |
6732-21-1910 |
DOWEL, RING
|
|
|
4 |
6732-21-1810 |
PLUG, EXPANSION
|
|
|
5 |
6736-21-1820 |
PLUG, EXPANSION
|
|
|
6 |
6735-21-5530 |
PLUG, EXPANSION
|
|
|
7 |
6736-21-1810 |
PLUG, EXPANSION
|
|
|
8 |
6732-21-1611 |
BOLT (M10-1.50x119)
|
|
|
9 |
6732-21-1411 |
BUSHING
|
|
|
|$10 |
6731-21-1220 |
KIT, CYLINDER BLOCK HARDWARE
|
|
|
10 |
6732-11-1910 |
PLUG, PIPE (1/2 NPT)
|
|
|
11 |
6732-11-1920 |
PLUG, PIPE (3/4 NPT)
|
|
|
|$13 |
6732-21-1960 |
PLUG, THREADED (M10-1.00x9.5)
|
|
|
12 |
NSS |
PLUG, THREADED (M10-1.00x9.5)
|
|
|
13 |
6215-81-9710 |
SEAL, O-RING (M10-1.00)
|
|
|
14 |
6732-21-6120 |
DOWEL, PIN
|
|
|
15 |
6732-21-6130 |
PLUG, EXPANSION
|
|
|
16 |
6732-21-6140 |
DOWEL, RING
|
|
|
|$19 |
6732-21-1910 |
DOWEL, RING
|
|
|
17 |
6732-21-1930 |
SEAL, O-RING
|
|
|
18 |
6731-21-1190 |
NOZZLE, PISTON COOLING
|
|
|
19 |
6732-21-6160 |
PLUG, EXPANSION
|
|
|
|$23 |
6735-21-5530 |
PLUG, EXPANSION
|
|
|
20 |
6736-29-2110 |
SLEEVE, SALVAGE
|
11
7
6
7
16
10
3
15
1
5
7
12
13
14
19
4
3
9
18
2
20
17
8