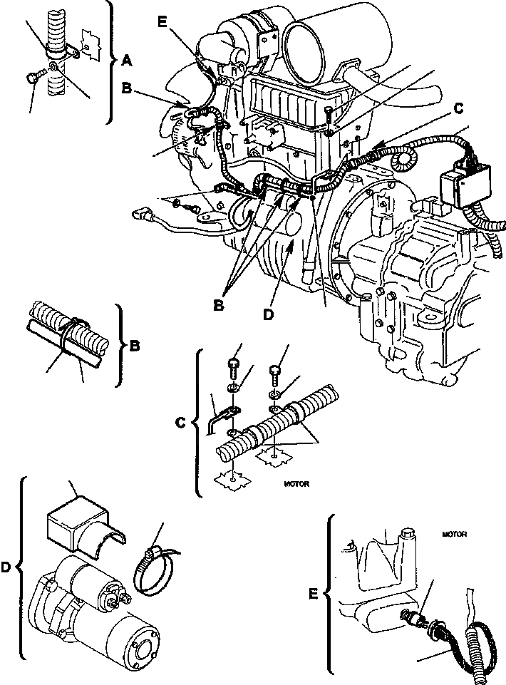
Запчасти fig. e-a электрика - проводка assembly экскаваторы-погрузчики wb150-2n s/n a60001-a60028 Komatsu



1 312612142 WIRING HARNESS ASSEMBLY
2 802660034 CLAMP (HANGER)
3 801015109 BOLT
4 802170002 WASHER
5 802612134 SUPPORT
6 802660506 CLAMP (HANGER)
7 801015108 BOLT
8 802170002 WASHER
9 885180010 TIE STRAP
10 885070024 SENSOR, TEMPERATURE
11 312607707 COVER
12 885190006 CLAMP
6
3
4
8
7
1
5
3
3
4
4
9
5
5
2
11
12
10
1
X
Рассчитать