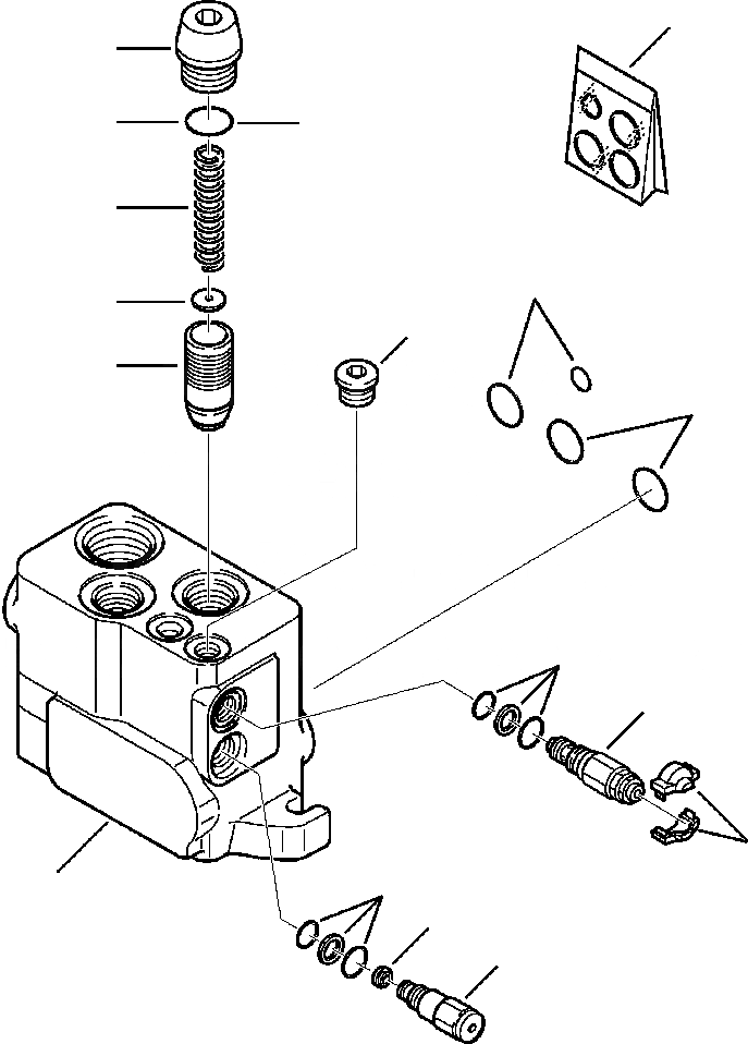
| |$4 | 844200496 | INLET SECTION | |
| 1 | NSS | HOUSING, INLET | |
| |$6 | 844200519 | REGULATION KIT | |
| 2 | NSS | CAP, END | |
| 3 | NSS | O-RING | |
| 4 | NSS | SPRING, RETURN | |
| 5 | NSS | PLATE | |
| 6 | NSS | PISTON | |
| 7 | 844200520 | PLUG | |
| |$13 | 844200477 | PRESSURE RELIEF VALVE | |
| 8 | NSS | VALVE, RELIEF | |
| 9 | 844200515 | GASKET KIT | |
| 10 | 844200423 | LOCK COVER KIT (ORANGE) | |
| |$17 | 844200424 | LOCK COVER KIT (BLUE) | |
| |$18 | 844200521 | FLOW REGULATOR VALVE | |
| 11 | NSS | VALVE, FLOW | |
| 12 | 844200514 | GASKET KIT | |
| 13 | 844200522 | FILTER | |
| 14 | 844200513 | GASKET KIT | |
| 15 | 844200413 | GASKET KIT | |
| 16 | NSS | O-RING |