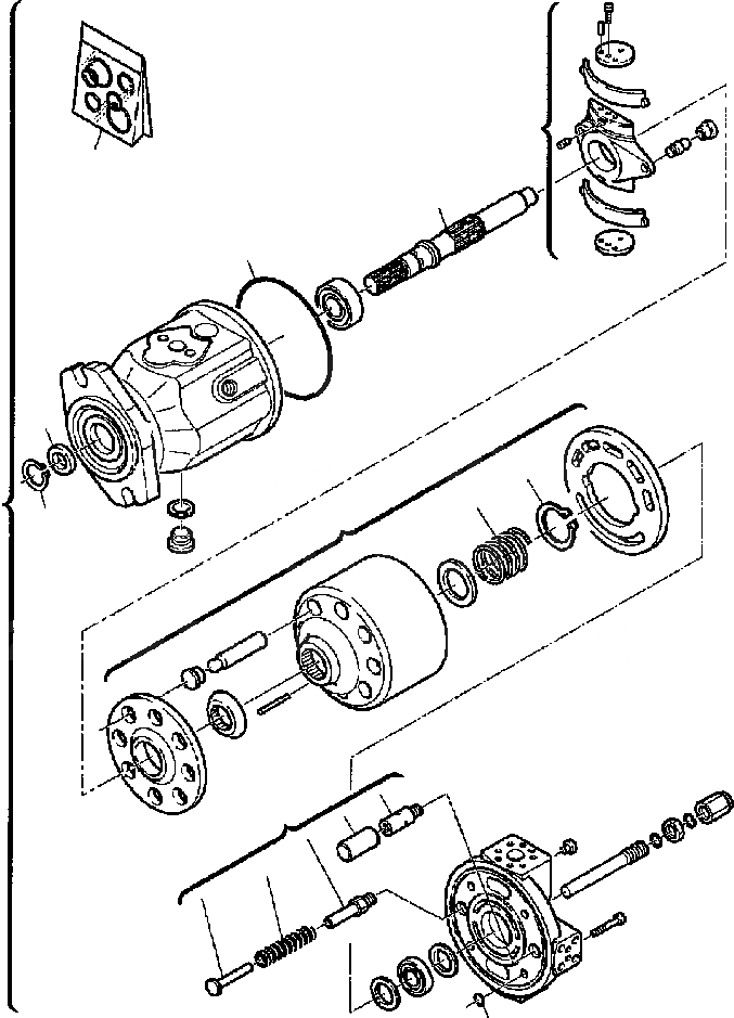
Запчасти fig. h-a гидр. насос. - основн. assembly для turbo двигатель экскаваторы-погрузчики wb150ps-2n s/n a70001-a70009 Komatsu



1 840220122 PUMP ASSEMBLY (TURBO ENGINE)
2 840225315 GASKET KIT
3 840225229 RING, SNAP
4 840225226 GASKET
5 840225227 O-RING
6 840225311 SHAFT
7 840225224 PLATE, SWASH
8 840225222 GROUP, ROTARY
9 840225239 SPRING
10 840225240 RING, SNAP
11 840225223 UNIT, CONTROL
12 840225238 SPRING
13 840225228 O-RING
2
7
6
5
4
10
9
1
8
13
11
12
3
X
Рассчитать