- Главная
- Справочник
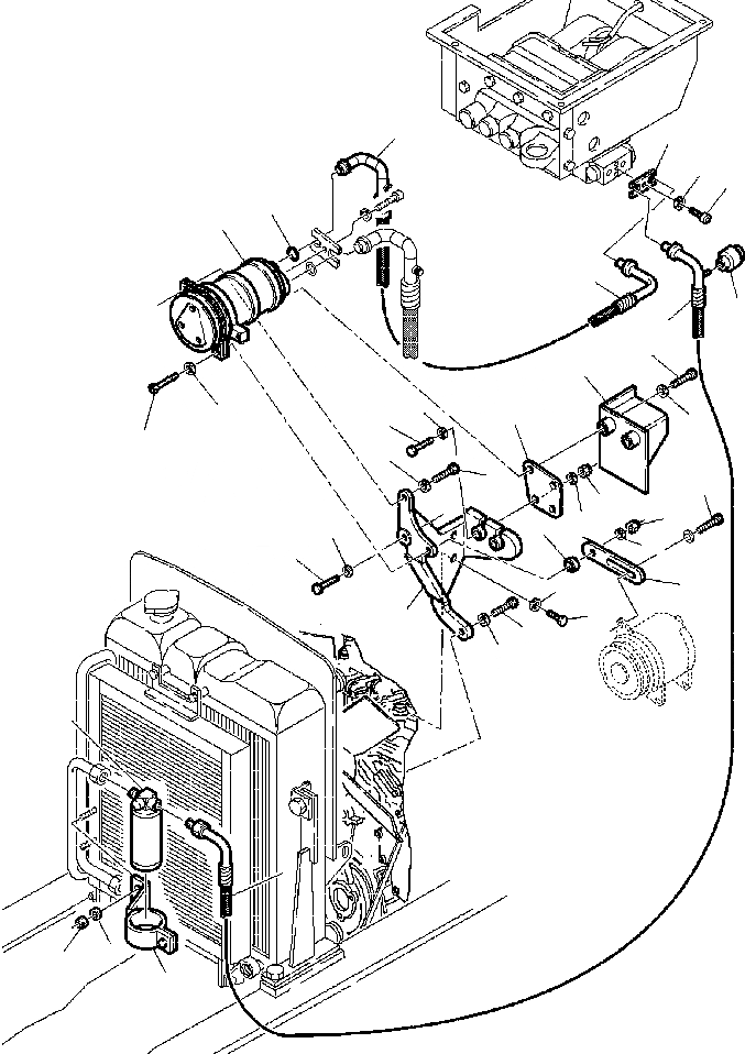
Запчасти fig. k9-a кондиц. воздуха - экскаваторы-погрузчики wb150ps-2n s/n a70001-a70009 Komatsu
|
|
1 |
312649115 |
FILTER
|
|
|
2 |
312649116 |
SUPPORT, FILTER
|
|
|
3 |
801880206 |
NUT, SELF-LOCKING
|
|
|
4 |
802170000 |
WASHER
|
|
|
5 |
312649120 |
HOSE
|
|
|
6 |
312649117 |
SWITCH, A/C PRESSURE
|
|
|
7 |
312649059 |
FLANGE
|
|
|
8 |
801105523 |
SCREW
|
|
|
9 |
880011075 |
WASHER, SPRING
|
|
|
10 |
312649119 |
HOSE
|
|
|
11 |
312649607 |
O-RING
|
|
|
12 |
312649108 |
COMPRESSOR, AIR CONDITIONING
|
|
|
13 |
801015561 |
BOLT
|
|
|
14 |
801015111 |
BOLT
|
|
|
15 |
802170002 |
WASHER
|
|
|
16 |
312649066 |
SUPPORT
|
|
|
17 |
312649091 |
GUARD, HOSE
|
|
|
18 |
801015090 |
BOLT
|
|
|
19 |
802170001 |
WASHER
|
|
|
20 |
801703008 |
NUT
|
|
|
21 |
802150508 |
WASHER, SPRING
|
|
|
22 |
312640609 |
SPACER
|
|
|
23 |
801880001 |
NUT, SELF-LOCKING
|
|
|
24 |
312649067 |
BRACKET, ADJUSTING
|
|
|
25 |
801015112 |
BOLT
|
|
|
26 |
801015110 |
BOLT
|
|
|
27 |
312649109 |
BRACKET, COMPRESSOR SUPPORT
|
|
|
28 |
801015087 |
BOLT
|
1
7
18
6
5
20
19
23
22
15
27
26
18
19
16
17
14
15
15
5
25
15
4
3
2
11
12
15
13
10
21
24
28
18
10
8
9
19