| 1 | 395005017 | R.H. BOOM SWING CYLINDER ASSEMBLY | |
| 2 | 395005018 | L.H. BOOM SWING CYLINDER ASSEMBLY | |
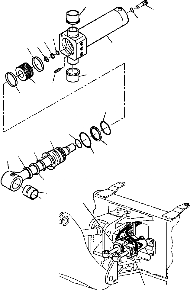
| 3 | 395187012 | ROD | |
| 4 | 390601058 | BUSHING | |
| 5 | 395330011 | HEAD, CYLINDER | |
| 6 | 395273018 | PISTON | |
| 7 | 500468851 | RING | |
| 8 | 500252046 | RING | |
| 9 | 802250530 | RING | |
| 10 | 500213004 | BUSHING | |
| 11 | 395090011 | CYLINDER, RIGHT | |
| 11 | 395091011 | CYLINDER, LEFT | |
| 12 | 312705602 | PLUG, CYLINDER | |
| |$16 | 878000542 | GASKET KIT | |
| 13 | NSS | GASKET | |
| 14 | NSS | O-RING | |
| 15 | NSS | O-RING | |
| 16 | NSS | RING | |
| 17 | NSS | O-RING | |
| 18 | NSS | GASKET | |
| 19 | NSS | RING, WEAR | |
| 20 | NSS | RING, SCRAPER | |
| 21 | NSS | GASKET | |
| 22 | NSS | O-RING | |
| 23 | 801456086 | SCREW |