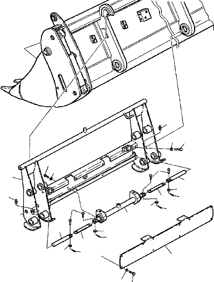
Запчасти fig. h7-a ковш - [4 в 1] - гидравл. быстросъемн. мех-м экскаваторы-погрузчики wb150ps-2n s/n a70001-a70009 Komatsu



2 312630059 FRAME
3 860010007 FITTING, GREASE
4 312630648 PIN, ROD
5 500327217 PIN, LEVER
6 802040029 WASHER
7 802610073 PIN, COTTER
8 500014695 LEVER, LINK
10 801015110 BOLT
11 802150510 WASHER
12 801015090 BOLT
13 802150508 WASHER
14 312630647 CYLINDER GUARD
15 801015086 BOLT
16 802120008 WASHER, SPRING
1
3
13
12
10
5
11
2
4
6
3
7
8
6
7
5
9
4
6
7
8
6
7
14
16
15
X
Рассчитать