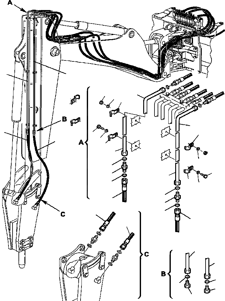
Запчасти fig. h87-a гидролиния - молот - рукоять - молот экскаваторы-погрузчики wb150ps-2n s/n a70001-a70009 Komatsu



1 312740113 PIPE
2 312740112 PIPE
3 312740610 CLAMP
4 802170002 WASHER
5 801015112 BOLT
6 312740609 CLAMP
7 802170002 WASHER
8 801015112 BOLT
9 500380064 UNION
10 855051021 O-RING
11 392400007 HOSE
12 500380062 UNION
13 855051018 O-RING
14 392860023 HOSE
15 500380304 PLUG
16 855051018 O-RING
17 500380305 PLUG
18 855051021 O-RING
2
1
19
2
7
6
1
13
3
8
7
16
6
2
4
10
5
9
1
10
3
4
13
11
12
13
11
14
14
2
1
16
18
15
17
X
Рассчитать