zakaz@zapkomat.su
8 800 777-45-32
Расчитать заявку
Каталог
Типы
Гидравлика
Крепеж
Прокладки
Соединения
Кожухи
Электрика
Справочник
Запрос сотрудничества
Сервисным организациям
Контакты
Главная
Справочник
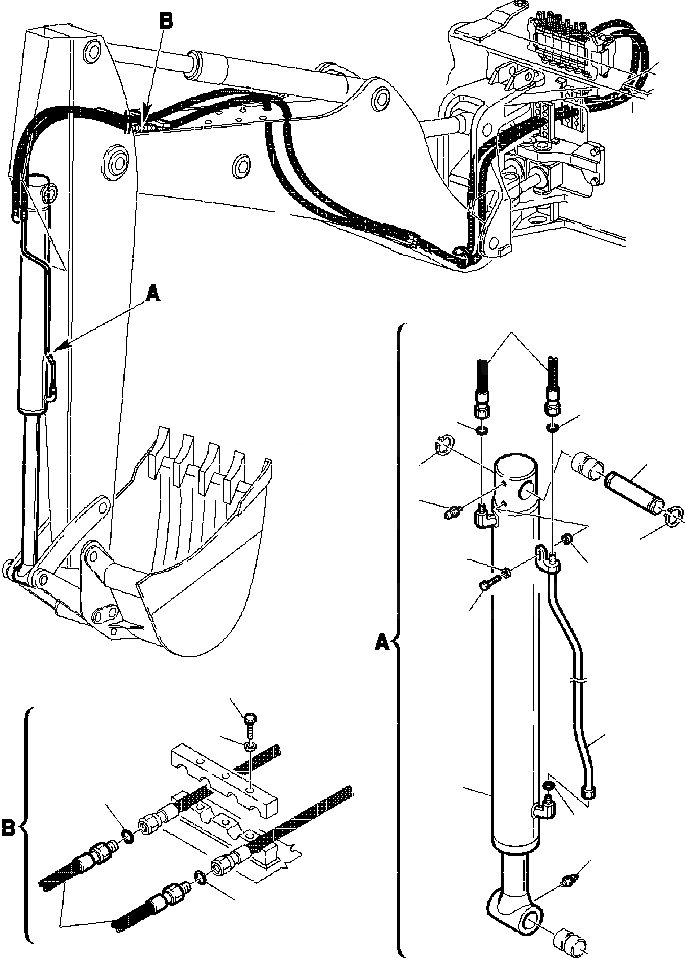
Запчасти fig. h7-a гидролиния - цилиндр ковша экскаваторы-погрузчики wb150ps-2n s/n a70001-a70009 Komatsu
2
860010007
FITTING, GREASE
3
855051018
O-RING
4
312709605
PIN, CYLINDER
5
602270017
RING, SNAP
6
392861004
HOSE
7
855051018
O-RING
8
312707097
PIPE
9
801015089
BOLT
10
802170001
WASHER
11
312707618
SPACER
12
801015559
BOLT
13
802170002
WASHER
10
9
3
9
12
4
6
13
1
2
6
3
8
5
11
7
9
9
6
X
Рассчитать
Ваше имя:
Телефон *:
E-mail:
Сообщение: Пришлите наличие и стоимость
Оформить заказ