zakaz@zapkomat.su
8 800 777-45-32
Расчитать заявку
Каталог
Типы
Гидравлика
Крепеж
Прокладки
Соединения
Кожухи
Электрика
Справочник
Запрос сотрудничества
Сервисным организациям
Контакты
Главная
Справочник
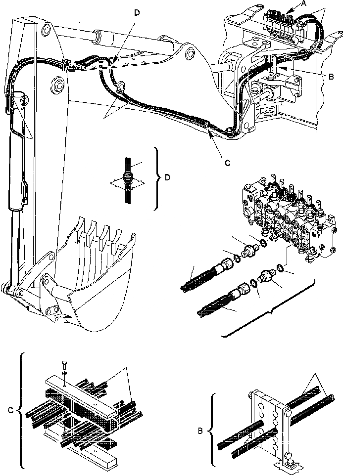
Запчасти fig. h7-a гидролиния - управляющ. клапан - цилиндр ковша экскаваторы-погрузчики wb150ps-2n s/n a70001-a70009 Komatsu
1
500380113
UNION
2
855051119
O-RING
3
855051018
O-RING
4
392860006
HOSE
5
312708621
BUSHING, HOSE
4
5
4
3
1
2
4
3
4
4
1
2
4
X
Рассчитать
Ваше имя:
Телефон *:
E-mail:
Сообщение: Пришлите наличие и стоимость
Оформить заказ