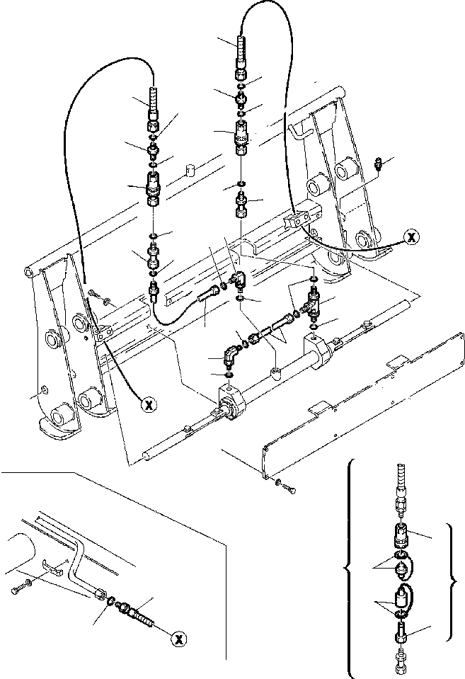
Запчасти fig. h8-a гидролиния - ковш быстросъемн. мех-м экскаваторы-погрузчики wb150ps-2n s/n a70001-a70009 Komatsu



1 500380507 UNION, ELBOW
2 855051113 O-RING
3 855051014 O-RING
4 500380904 UNION, T
5 855051113 O-RING
6 855051014 O-RING
7 312630072 PIPE
8 312630073 PIPE
9 855051014 O-RING
10 312630670 UNION
11 855051617 O-RING
12 200362251 FAST COUPLING LINE ASSEMBLY
13 200362252 FITTING
14 200362253 BODY
15 200362262 PLUG, FEMALE
16 200362263 PLUG, MALE
17 500380110 UNION
18 855051617 O-RING
19 855051016 O-RING
20 392431023 HOSE
21 855051016 O-RING
22 860010007 FITTING, GREASE
20
19
20
18
19
22
18
12
11
11
1
9
6
1
4
2
20
5
3
8
7
2
13
17
12
17
10
3
10
21
15
16
14
12
X
Рассчитать