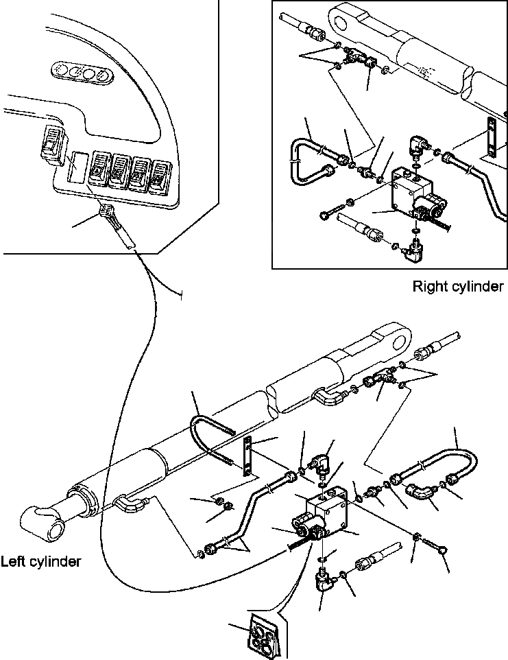
Запчасти fig. h-a гидролиния - погруз. гидроцилиндр ковша электрич. клапан безопасности экскаваторы-погрузчики wb150ps-2n s/n a70001-a70009 Komatsu



1 845250079 VALVE, SAFETY
2 845250547 ELECTRO-VALVE
3 845750003 SOLENOID
4 845250505 GASKET, KIT
5 802170001 WASHER, SPRING
6 801015547 BOLT
7 312237600 FASTENER, U-BOLT
8 801920104 NUT
9 500380508 UNION, ELBOW
10 855051617 O-RING
11 855051014 O-RING
12 312637075 PIPE
13 500380106 UNION
14 855051111 O-RING
15 855051014 O-RING
16 312637077 PIPE
17 312637076 PIPE
18 500380872 UNION, T
19 855051014 O-RING
20 500380462 UNION, ELBOW
21 855051014 O-RING
22 312237601 PLATE
19
18
17
15
13
14
1
23
19
7
18
16
11
9
22
10
14
2
5
21
13
15
20
8
3
1
10
12
5
6
11
9
4
X
Рассчитать