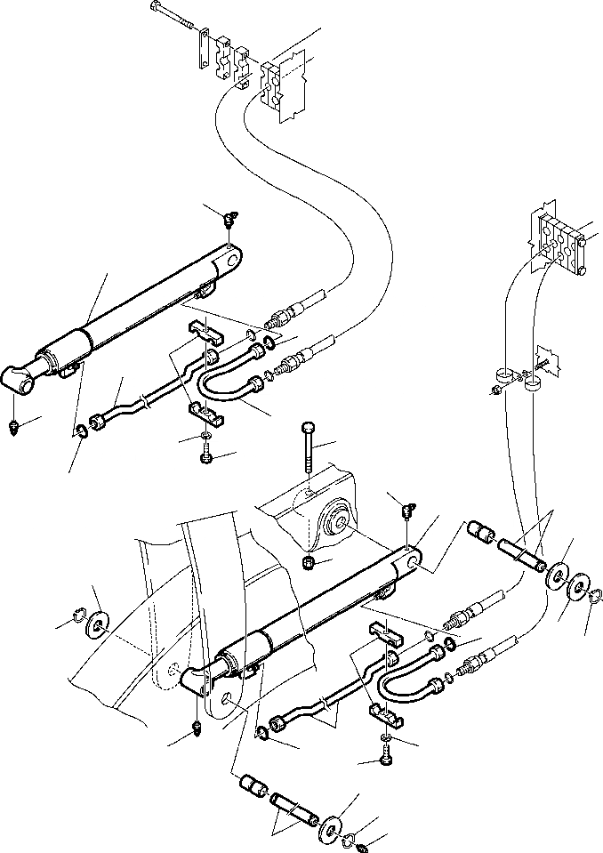
Запчасти fig. h-a гидролиния - погруз. линия гидроцилиндра подъема экскаваторы-погрузчики wb150ps-2n s/n a70001-a70009 Komatsu



2 860010007 FITTING, GREASE
3 855051016 O-RING
4 312610065 PIPE
5 312610057 PIPE
6 200390970 CLAMP, TUBING
7 801015089 BOLT
8 802170001 WASHER
9 860030004 FITTING, GREASE
10 312601665 PIN, CYLINDER
11 801015584 BOLT
12 801880212 NUT, SELF-LOCKING
13 390608003 WASHER
14 802270019 RING, SNAP
15 390608006 WASHER
16 312602613 PIN, CYLINDER
17 390608002 WASHER
18 802270017 RING, SNAP
19 860010007 FITTING, GREASE
1
9
12
10
13
14
3
6
4
18
17
2
5
18
11
8
7
3
9
1
17
19
16
15
3
6
4
8
2
3
7
X
Рассчитать