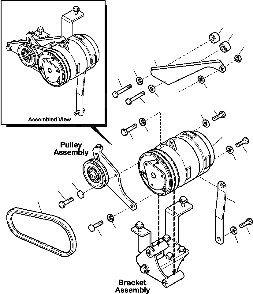
Запчасти k9-a кабина с кондиц. кондиц. воздуха компрессор крепление экскаваторы-погрузчики wb156-5 backhoe loader s/n a63001-up Komatsu



1 2938-07-1200 BELT, AIR CONDITIONER
2 01010-81040 BOLT
3 01643-31032 WASHER
4 01010-81045 BOLT
5 01010-80865 BOLT
6 01643-30823 WASHER
7 2938-07-1250 BRACKET, UPPER
8 2938-07-1330 SPACER
9 01596-01009 NUT
10 2938-07-1340 SPACER
11 01010-81030 BOLT
12 2938-07-1260 COMPRESSOR
13 2938-07-1270 BRACKET, LOWER
14 01643-31232 WASHER
15 01010-81230 BOLT
8
8
9
7
6
9
5
8
10
6
11
5
3
12
3
4
11
3
3
2
9
1
13
3
15
2
14
X
Рассчитать