Запчасти трансмиссия (наполнитель и трубы) бульдозеры гусеничные d41p-6 s/n b20001-b30000 Komatsu



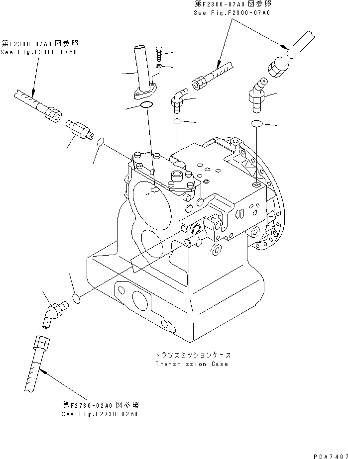
|1 124-15-00030 TRANSMISSION ASS'Y
1 124-49-51192 FILLER
2 01010-51030 BOLT
3 01643-31032 WASHER
4 07000-73035 O-RING (K1)
5 07236-10522 ELBOW
6 07002-32434 O-RING (K1)
7 07235-10315 ELBOW
8 07002-32034 O-RING (K1)
9 21W-62-11290 UNION
10 07002-32034 O-RING (K1)
11 07236-10422 ELBOW
12 07002-32034 O-RING (K1)
1
2
3
4
5
6
7
8
9
10
11
12
X
Рассчитать